John Deere X110 X120 X140 Lawn Tractor Technical Manual TM2373
Language: English
Format: PDF
Document: Technical Manual
Machine: Lawn Tractor
Machine Model: X110, X120, X140 (Export)
Pages: 276 Pages
Part Number: TM2373
Contents:
Safety
Specifications and Information
Engine (Single Cylinder)
Engine (V-Twin)
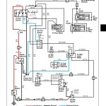
Electrical
Power Train (Hydrostatic)
Steering
Brakes
Attachments
Miscellaneous




