John Deere X700 X720 X724 X728 X729 North Ameriacan Ultimate Lawn Tractor Technical Manual TM2349
Language: English
Format: PDF
Document: Technical Manual
Machine: North Ameriacan Ultimate Lawn Tractor
Machine Model: X700, X720, X724, X728, X729
Pages: 737 Pages
Part Number: TM2349
Contents:
Safety
Specifications and Information
Engine - Gas (Liquid-Cooled)
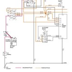
Electrical
Power Train - Hydrostatic
Hydraulics
Steering
Brakes
Attachments
Generator
Miscellaneous




