John Deere Z625 Z645 Z655 Z665 EZtrak Residential Mower Diagnosis Repair Manual TM113119
Language: English
Format: PDF
Document: Repair Manual
Machine: EZtrak Residential Mower
Machine Model: Z645, Z655, Z665, Z625 (SN. 130001-)
Pages: 672 Pages
Part Number: TM113119
Contents:
Foreword
General Information
Safety
General Specifications
Fuel and Lubricants
Machine Specifications
Engine Repair B&S
Repair Engine Twin Cylinder
Engine Repair Kawasaki
Engine Repair
Starting Motor Repair
Electrical Repair
Component Location
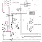
Wiring Harness
Power Train Repair
Component Location (S.N. -130000)
Component Location (S.N. 130001- )
Repair (S.N. -130000)
Repair (S.N. 130001- )
Attachments Repair
Component Location
Repair
Miscellaneous Repair
Component Location
Repair
Engine Diagnosis, Test, and Adjustments B&S
Diagnosis
Test and Adjustments
Engine Diagnosis, Test, and Adjustments Kawasaki
Component Location
General Information
Theory of Operation
Diagnosis
Test and Adjustments
Electrical Diagnosis, Test, and Adjustments
Theory of Operation
Diagnosis
Test and Adjustments
Wiring Schematics
Connector Information
Power Train Diagnosis, Test, and Adjustments
Theory of Operation (S.N. -130000)
Theory of Operation (S.N. 130001- )
Diagnosis (S.N. -130000)
Diagnosis (S.N. 130001- )
Test and Adjustments (S.N. -130000)
Test and Adjustments (S.N. 130001- )
Attachments Diagnosis, Test, and Adjustments
Diagnosis
Test and Adjustments
Miscellaneous Test and Adjustments
Test and Adjustments
Service Tools and Kits
Service Tools




