Kobelco 26.72 GB PDF Full Model Service Manual Shop Manual 2020
Data Size: 26.72 GB
Manufacturer: Kobelco
Language: English
Applicable Machine: Kobelco Heavy Machinery
Document: Service Manual, Schematic, Technical Manual, Handbook Manual
File Type: PDF
Date Release Updated: 2020
Windows: All Window 32& 64Bit
Amount of DVD: 2 DVD
DVD 1. Detail List Kobelco Heavy Machinery 2019 (18,1GB)
DVD 2. Detail List Kobelco Heavy Machinery 2020 (8,62GB)
Contact Us : “CLICK HERE ”
Payment Method : “CLICK HERE ”
Shopping Guide : “CLICK HERE ”




Detail Contents List:
2. DVD 2. Detail List Kobelco Heavy Machinery 2020
Kobelco Updated 2020\ENGINE
Kobelco Updated 2020\EXCAVATOR
Kobelco Updated 2020\MINI EXCAVATOR
Kobelco Updated 2020\ENGINE\Diesel Engine Kobelco F4DFE613A*A, F4DFE613B*A, F4DFE613C*A, F4DFE613D*A, F4DFE613G*A
Kobelco Updated 2020\ENGINE\Diesel Engine Mitsubishi 6D34-T
Kobelco Updated 2020\ENGINE\Diesel Engine Nissan LK600A NE6 NE6T
Kobelco Updated 2020\ENGINE\Diesel Engine Nissan PE6,PE6T
Kobelco Updated 2020\EXCAVATOR\140SR Tier 3
Kobelco Updated 2020\EXCAVATOR\140SRCL-3 Tier 4
Kobelco Updated 2020\EXCAVATOR\230SRLC-3 Tier 4
Kobelco Updated 2020\EXCAVATOR\235SRLC-2
Kobelco Updated 2020\EXCAVATOR\80CS-2 Acera
Kobelco Updated 2020\EXCAVATOR\80CS-2 Acera S5LF0012601
Kobelco Updated 2020\EXCAVATOR\ED150 Blade Runner Acera SR Tier 3
Kobelco Updated 2020\EXCAVATOR\ED195-8 Tier 3
Kobelco Updated 2020\EXCAVATOR\KW904,KW904D
Kobelco Updated 2020\EXCAVATOR\Mark III SK60 SK100 SK120 SK120LC SK200 SK200LC SK220 SK220LC
Kobelco Updated 2020\EXCAVATOR\Mark IV KSOH-IV-USA-REV.0_04.99
Kobelco Updated 2020\EXCAVATOR\Mark IV SK4100460A-USA-1R_05.09
Kobelco Updated 2020\EXCAVATOR\SK130-SK140LC-8_S5YP0001E02
Kobelco Updated 2020\EXCAVATOR\SK130HDL-8B_S5LX0001E01
Kobelco Updated 2020\EXCAVATOR\SK140SR(LC)-7 (July 2019)
Kobelco Updated 2020\EXCAVATOR\SK140SRLC
Kobelco Updated 2020\EXCAVATOR\SK15SR SK20SR SK25SR SK30SR SK35SR SK40SR SK45SR
Kobelco Updated 2020\EXCAVATOR\SK170-10 (NA)
Kobelco Updated 2020\EXCAVATOR\SK170-8 Tier 3
Kobelco Updated 2020\EXCAVATOR\SK170-9 Tier 4
Kobelco Updated 2020\EXCAVATOR\SK17SR-3 10.2009
Kobelco Updated 2020\EXCAVATOR\SK200-2,SK200KC-2
Kobelco Updated 2020\EXCAVATOR\SK200-3, SK200LC-3
Kobelco Updated 2020\EXCAVATOR\SK200-8
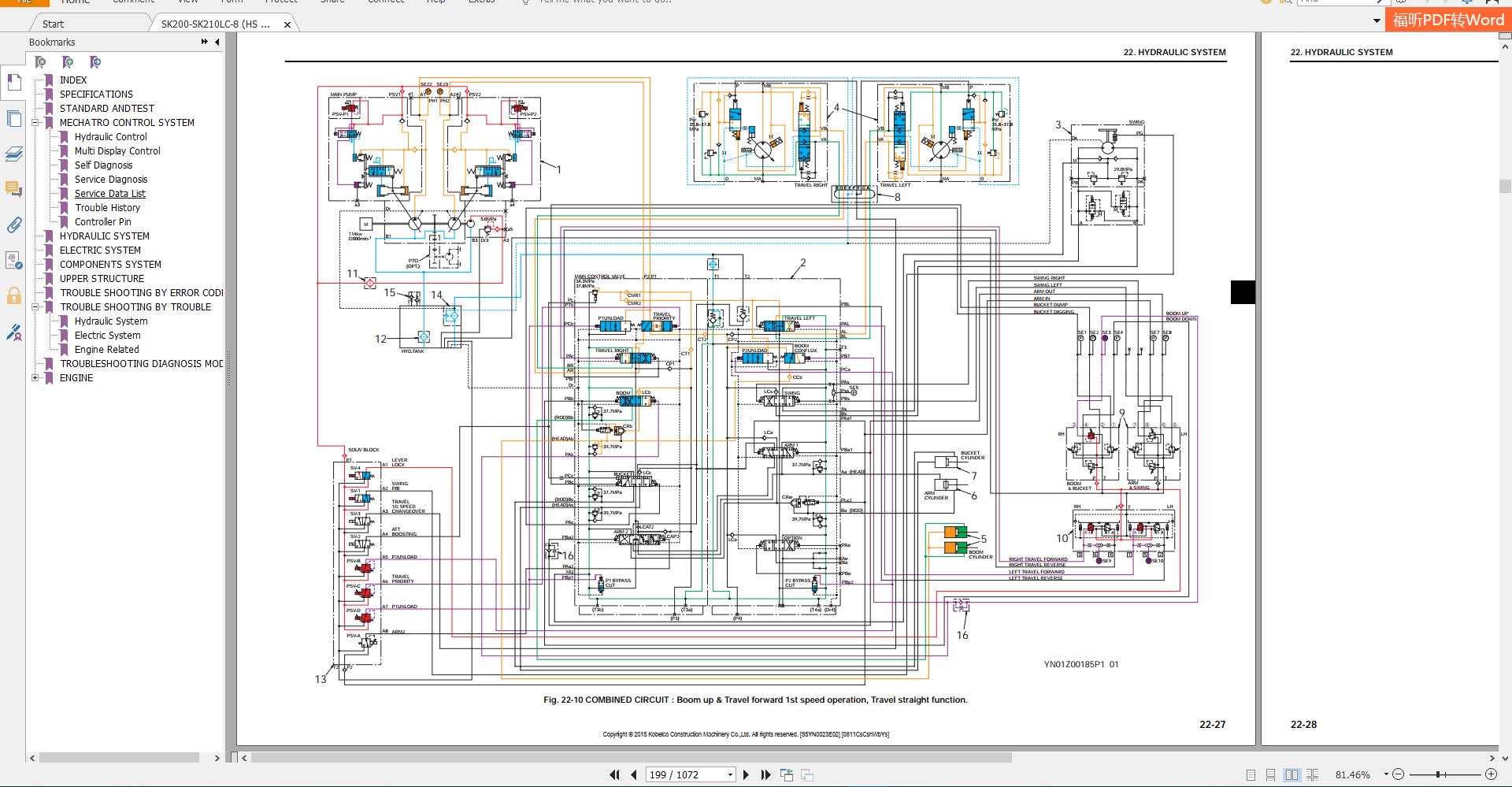
Kobelco Updated 2020\EXCAVATOR\SK200-SK210LC-8 (HS ENGINE) ASIA_S5YN0023E02
Kobelco Updated 2020\EXCAVATOR\SK200_210-6E_S5YN0014E
Kobelco Updated 2020\EXCAVATOR\SK200_SK210-10 Thai-Laos-Cambodia Market
Kobelco Updated 2020\EXCAVATOR\SK200_SK210LC-10
Kobelco Updated 2020\EXCAVATOR\SK210LC, SK250LC
Kobelco Updated 2020\EXCAVATOR\SK210LC-10 for North America
Kobelco Updated 2020\EXCAVATOR\SK210LC-9
Kobelco Updated 2020\EXCAVATOR\SK210_SK240LC-10E
Kobelco Updated 2020\EXCAVATOR\SK230-SK250NLC-6E_S5LQ0012E
Kobelco Updated 2020\EXCAVATOR\SK230-SK250NLC-6_S5LQ0011E
Kobelco Updated 2020\EXCAVATOR\SK230SRLC-3S5YB0018E02 (EU_LA07)
Kobelco Updated 2020\EXCAVATOR\SK230SRLC-5 S5YB0021E03 EU_LA08)
Kobelco Updated 2020\EXCAVATOR\SK230SRLC-5E 2019
Kobelco Updated 2020\EXCAVATOR\SK250-SK260LC-10 SEAD_OPT_S5LQ0046E01
Kobelco Updated 2020\EXCAVATOR\SK250-SK260LC-8 HS ENGINE Asia_S5LQ0017E03
Kobelco Updated 2020\EXCAVATOR\SK250_260LC-10
Kobelco Updated 2020\EXCAVATOR\SK27SR-5 Acera
Kobelco Updated 2020\EXCAVATOR\SK27SR-5_S5PV0013E01_OPT
Kobelco Updated 2020\EXCAVATOR\SK28SR_SK30SR_SK35SR-6 (EU 2018)
Kobelco Updated 2020\EXCAVATOR\SK300LC-10
Kobelco Updated 2020\EXCAVATOR\SK30SR-5,SK35SR-5
Kobelco Updated 2020\EXCAVATOR\SK330-8 (HS ENGINE)_OPT_S5LC0021E03
Kobelco Updated 2020\EXCAVATOR\SK330LC-6E
Kobelco Updated 2020\EXCAVATOR\SK330LC-6H
Kobelco Updated 2020\EXCAVATOR\SK330_350LC-10 (ANZ)_S5LC0057E01
Kobelco Updated 2020\EXCAVATOR\SK350-8 Acera Mark Tier 3
Kobelco Updated 2020\EXCAVATOR\SK350LC-8 ELEVATOR_Cabin
Kobelco Updated 2020\EXCAVATOR\SK380XDLC-10 (SEA Type B-2019)_S5LC0042E04
Kobelco Updated 2020\EXCAVATOR\SK380XDLC-10 SEA-Type B (2017)_S5LC0042E01
Kobelco Updated 2020\EXCAVATOR\SK460-SK480LC-8 (HS ENGINE) Asia_S5LS0013E03
Kobelco Updated 2020\EXCAVATOR\SK485-8 Tier 3
Kobelco Updated 2020\EXCAVATOR\SK50SR-5 07.2010
Kobelco Updated 2020\EXCAVATOR\SK50SR-5_10.2009
Kobelco Updated 2020\EXCAVATOR\SK60 SK100 SK120 SK120LC SK200 SK200LC SK220 SK220LC Mark III
Kobelco Updated 2020\EXCAVATOR\SK60-8_S5LE0003E01
Kobelco Updated 2020\EXCAVATOR\SK60V SK100v SK120V SK120LCV SK200V SK200LCV SK220V SK220LCV
Kobelco Updated 2020\EXCAVATOR\SK60V SK100V SK120V SK120LCV SK200V SK200LCV SK220V SK220LCV Super Mark 4
Kobelco Updated 2020\EXCAVATOR\SK60_SK220 MARK V
Kobelco Updated 2020\EXCAVATOR\SK70SR-SK235SR
Kobelco Updated 2020\EXCAVATOR\SK75-8_S5LG0003E01
Kobelco Updated 2020\EXCAVATOR\SK850LC-8_S5LY0004E03
Kobelco Updated 2020\EXCAVATOR\SK85CS-7 (NA 2019)
Kobelco Updated 2020\MINI EXCAVATOR\E18SR, SK17B, SK17SR-3
Kobelco Updated 2020\MINI EXCAVATOR\SR-3 Series
1. DVD 1. Detail List Kobelco Heavy Machinery 2019
1/ Dozer
D350
ED150 ACERA SR T3
2/ Engine
CNH NEF T4A S3B
Cummins Series C
Hino J08E-TM
Isuzu K904 II K905LC II
Iveco NEF F4GE F4HE
Mitsubishi 4D3 4DR
Mitsubishi 4D3 DR
Mitsubishi 4DR5 6DR5
Mitsubishi 6D1
Mitsubishi 6D1 -14,15,16
Mitsubishi 6D2
Mitsubishi 6D2 T TC
Mitsubishi 6D3
Mitsubishi 6D14 6D15 6D16 T TL
Mitsubishi 8DC8 8DC9
Nissan FD6 FD6T
Nissan NE6T
Nissan PD6 PD6T
Yanmar 2TN 3TN 4TN
3/ Excavators
17SR T4
27SR ACERA T4
30SR 35SR ACERA T4
50SR ACERA T4
70SR ACERA T4
70SR-2 ACERA
80CS ACERA T4
80CS-2 ACERA
140SRLC-3
140SRLC-3 T4
215SR ACERA T3
230SRLC-3
230SRLC-3 T4
260SRLC-3
260SRLC-3 T4
E235SR Evo
K903 II
K903B
K903C
K904 II K905 II
K904E K905A
K905LC
K907C LC
K907D K907DLC
K907-II
K909 II
K909 II LC II
K909A
K912A LC
K912-II K912LC-II
K916 II K916LC II
K916 K916LC
K935
MD120LC
MD140BLC
MD140C
MD180LC
MD200C
MD240BLC
MD240C
MD300LC
MD320BLC
MD400LC
MD450BLC
SK013 SK015
SK13SR
SK14 K914
SK15SR SK20SR
SK17SR-3
SK024 SK027 SK032
SK025 SK030 SK035
SK25SR SK30SR SK35SR
SK25SR-2
SK27SR-3
SK30SR-2 SK35SR-2
SK30SR-3 SK35SR-3
SK40SR SK45SR
SK40SR-2 SK45SR-2
SK45SR-2
SK50SR-3
SK50SR-5
SK55SRX T4
SK60
SK60-8
SK60V
SK70SR
SK70SR-1E
SK70SR-1ES
SK75-8
SK80CS-1E
SK80CS-2 ACERA
SK80MSR SK80CS
SK100 III
SK100 L V SK120 V LC V
SK100 SK120LC
SK100V SK120V SK120LC V
SK100V SK120V SK120LCV ACERA
SK115DZLC IV SK120LC IV
SK115SRDZ SK135SRLC
SK115SRDZ-1E SK135 SR L LC 1 E
SK130,130LC,140LC-8
SK130-8,SK140LC-8
SK130HDL-8B
SK130-SK140LC-8
SK150LC III
SK150LC IV
SK150LC IV ED180LC
SK160LC ED190LC
SK170-9
SK170LC-10 NA
SK200 III SK200LC III
SK200 IV SK200LC IV
SK200 SK200LC
SK200 SK210 SK210NLC LC VI
SK200 V SK200LC V
SK200_210-6E
SK200_SK210-10 for Thai-Laos-Cambodia
SK200-6, 330-6
SK200-8 SK210LC-8
SK200-8 USA
SK200-8,SK210LC-8
SK200-330-6
SK200-SK210-6E
SK200-SK210LC-8
SK200SR SK200SRLC
SK200SR-1S SK200SRLC-1S
SK210_SK240LC-10E
SK210-6E 210LC-6E 210NLC-6E
SK210-8 ACERA MARK 8 T3
SK210-9
SK210-9 T4
SK210LC SK250LC
SK210LC-6E
SK210LC-10 NA
SK220 SK220LC
SK230 SK250 SK250LC NLC- VI
SK230,250-6E
SK235SR LC NLC -1ES
SK235SR SK235SR LC
SK235SRLC-2
SK250-8
SK250LC-6E
SK250-SK260LC-8
SK250-SK260LC-10
SK260-8 T3
SK260-9 SK295-9
SK270LC IV
SK290LC SK330LC
SK295-8 T3
SK300 SK300LC
SK300-350-8
SK300-III SK300LC-III
SK300LC-10
SK310 III SK310LC III
SSK330-6E
SK330-8
SK330LC-6E
SK330-SK350LC-8
SK330-SK350LC-10
SK350-9
SK350-9 T4
SK350LC-8
SK380XDLC-10
SK400 III SK400LC III
SK400 IV SK400LC IV
SK450-6
SK450-6, SK480-6
SK450LC VI SK480LC VI
SK450LC-6 & SK480LC-6S
SK460-8 SK480-6
SK460-8, SK480LC-8
SK460-SK480LC-8
SK480LC
SK480LC-6
SK485-9 T4
SK485LC-9
SK500XDLC-SK520XDLC-10
SK850LC SUPER ACERA T3
SK850LC-8
4/ Fiat Kobelco
Fiat Kobelco B95_B100_B110_B2004WS Repair Manual
Fiat Kobelco E16_E18_EVOLUTION Workshop Manual
Fiat Kobelco E20.2SR_E22.2SR_E27.2SR_EVOLUTION Workshop Manual
Fiat Kobelco E20SR_E22SR_E25SR_EVOLUTION Workshop Manual
Fiat Kobelco E30.2SR_E35.2SR_EVOLUTION Workshop Manual
Fiat Kobelco E30SR_E35SR_EVOLUTION Workshop Manual
Fiat Kobelco E40.2SR_E45.2SR_EVOLUTION Workshop Manual
Fiat Kobelco E40.2SR_E50.2SR_EVOLUTION Workshop Manual
Fiat Kobelco E40SR_E45SR_EVOLUTION Workshop Manual
Fiat Kobelco E70SR_EVOLUTION Workshop Manual
Fiat Kobelco E80_EVOLUTION Workshop Manual
Fiat Kobelco EX95W Workshop Manual
Fiat Kobelco SL30B Workshop Manual
Fiat Kobelco SL35B_SL40B Workshop Manual
Fiat Kobelco SL45B_SL55B Workshop Manual
Fiat Kobelco SL65B Workshop Manual
Fiat Kobelco T13_T14_T17 Workshop Manual
Fiat Kobelco W50_W60_W70 Workshop Manual
Fiat Kobelco W60_W70 Wheel Loader Technical Handbook
Fiat Kobelco W80 HIGH TRAVEL SPEED Technical Handbook
Fiat Kobelco W80 Wheel Loader Technical Handbook
FIAT KOBELCO WHEEL LOADER W50 W60 W70 SERVICE MANUAL
FIAT KOBELCO WHEEL LOADER W60 W70 HIGH TRAVEL SPEED SERVICE MANUAL
Fiat Kobelko ADT25 Shop Manual
Fiat Kobelko D150LGP Shop Manual
Fiat Kobelko D180GP Shop Manual
Fiat Kobelko E30SR Shop Manual
Fiat Kobelko E9SR Shop Manual
Fiat Kobelko EX135 Shop Manual
Fiat Kobelko EX255T Shop Manual
Fiat Kobelko W170 Shop Manual
Fiat Kobelko W80 Shop Manual
Fiat Kobelko W900 Shop Manual
5/ Kobelco Crane
Kobelco Crane RK250-3 Electric System
Kobelco Crane RK250-3 Shop Manual
Kobelco Crawler Crane CK1000 Operating maintenace
Kobelco Crawler Crane CK1000 Parts Manuals
Kobelco Crawler Crane CK1000-2F CKE900-1F Circuit Chart Collection
Kobelco Crawler Crane CK1000-2F CKE900-1F Shop Manual (S5GH00002ZE04)
Kobelco Crawler Crane CK1000-2F CRANE Operator & Maintenance Manual (S2GH14011ZE09)
Kobelco Crawler Crane CK1000-2F LUFFING Operator & Maintenance Manual (S2GH15001ZE03)
Kobelco Crawler Crane CK1000-2F Parts Manual (S3GH10012ZO04)
Kobelco Crawler Crane CK1200-1F CRANE Operator & Maintenance Manual (S2GK23001ZE09)
Kobelco Crawler Crane CK1200-1F LUFFING Operator & Maintenance Manual (S2GK21002ZE02)
Kobelco Crawler Crane CK1200-1F Parts Manual (S3GK22003ZO04)
Kobelco Crawler Crane CK1200-1F, CKE1100-1F Circuit Chart Collection
Kobelco Crawler Crane CK1200-1F, CKE1100-1F Shop Manual (S5GK00004ZE03)
Kobelco Crawler Crane CK1600-1F CRANE Operator & Maintenance Manual (S2GN00003ZE10)
Kobelco Crawler Crane CK1600-1F LUFFING Operator & Maintenance Manual (S2GN10002ZE08)
Kobelco Crawler Crane CK1600-1F Parts Manual (S3GN12003ZO01)
Kobelco Crawler Crane CK1600-1F, CKE1350-1F Circuit Chart Collection
Kobelco Crawler Crane CK1600-1F, CKE1350-1F Shop Manual (S5GN00003ZE08)
Kobelco Crawler Crane CK2000-1F CKE1800-1F Circuit Chart Collection
Kobelco Crawler Crane CK2000-1F CKE1800-1F Shop Manual (S5JC00002ZE05)
Kobelco Crawler Crane CK2000-1F Operator & Maintenance Manual (S2JC10003ZE09)
Kobelco Crawler Crane CK2000-1F Parts Manual (S3JC00003ZO01)
Kobelco Crawler Crane CK2500-2F CKE2500-2F Circuit Chart Collection
Kobelco Crawler Crane CK2500-2F CKE2500-2F Shop Manual (S5JD00002ZE06)
Kobelco Crawler Crane CK2500-2F Operator & Maintenance Manual (S2JD10016ZE10)
Kobelco Crawler Crane CK2500-II Parts Manual
Kobelco Crawler Crane CK850-2F CKE800-1F CKE700-1F Circuit Chart Collection
Kobelco Crawler Crane CK850-2F Operator & Maintenance Manual (S2GG24001ZE09)
Kobelco Crawler Crane CK850-2F Parts Manual (S3GG14012ZO05)
Kobelco Crawler Crane CK850-2F, CKE700-1F, CKE800-1F Shop Manual (S5GG00005ZE04)
Kobelco Crawler Crane CKE1350 Parts Manual
Kobelco Crawler Crane CKE2500 Operation & Maintenance Manual
Kobelco Crawler Crane CKE600-1 Hydraulic Schematic
Kobelco Mobile Crane RK250-3 Electric System
Kobelco Mobile Crane RK250-3, RK350 and RK450-2 Crane Electrical Schematic
Kobelco Mobile Crane RK250-II Shop Manual
Kobelco Mobile Crane RK450-2 Service training
6/ Loader Backhoe
TLK700 800 900
TLK750 860 865 965
7/ Nibbler & Breaker
Nibbler & Breaker SK200-2 SK200LC-2
Nibbler & Breaker SK200-3 SK200LC-3
8/ Schematics
SK170-9 SK210-9 SK260-9 SK295-9
9/ Technical Manuals
HandBooks MARK IV
HandBooks SR Series
Kobelco Electrical Schematic Section_ch23_041-086
Kobelco Hydraulic Control Valve_ch24_029-036
Kobelco Hydraulic Pump_ch24_005-006
Kobelco Hydraulic Regulator_ch24_009-010NEW
Kobelco Hydraulic Schematic Section_ch22_005-046
10/ Training Excavators
Grand Bettle SR Series
K903 K904 K908 K907 K909 K912 K916 II LC-II
Mark IV
SK60 SK100 SK120 SK200 Sk220 V LCV Mark V
Sk160 210 250 290 330 LC-6E
SR Series
11/ Wheel Loader
LK200
LK300A
LK350 II
LK400
LK450-II
LK500
LK550 II
LK600
LK600A
LK650-II
LK700 LK700A
LK850-II













