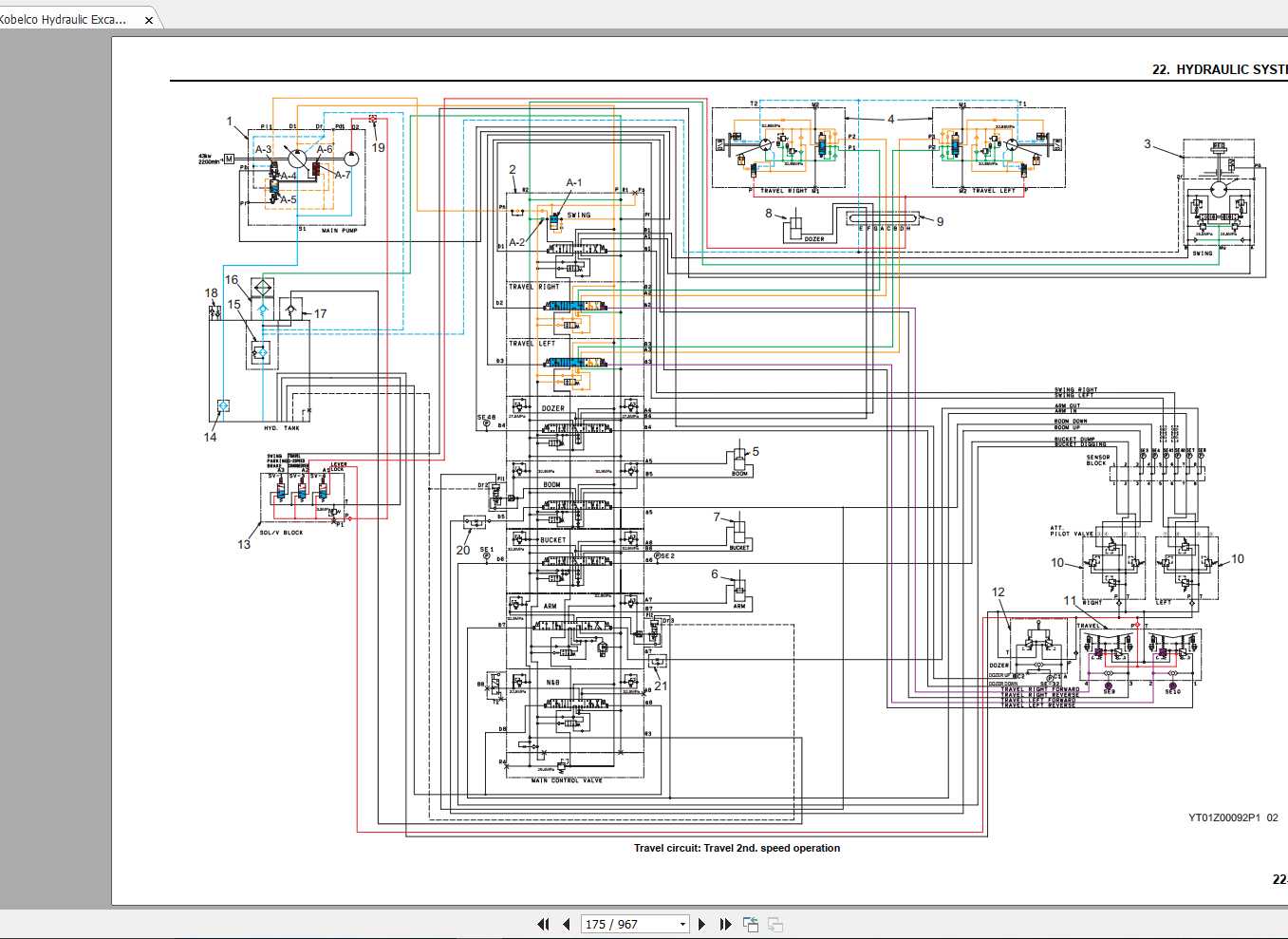
Kobelco 80CS-2 Acera Service Manual S5LF0012E01
Size: 209 MB
Language: English
Machine: Hydraulic Excavator
Machine Model: 80CS-2 Acera
Publicattion Date: 11-2010
Applicable Number: LF06-04501 & higher
Book Number: S5LF0012E01
Pages: 967 Pages
#More Product: Kobelco Operators Manual, Parts Catalogue, Shop Manual, Wiring Diagram




