Kobelco SK135SR-7 SK140SRLC-7 ED160BR-7 Shop Manual & Diagrams S5YY0034E05
Size: 504 MB
Document: Shop Manual, Electrical and Hydraulic Diagrams
Machine: Excavator
Model: SK135SR-7 SK140SRLC-7 ED160BR-7
Pages: 2668 Pages
Publication Date: 2020
Part Number: S5YY0034E05
The Bookmakrs of Kobelco SK135SR-7 SK140SRLC-7 ED160BR-7 Shop Manual:
Foreword
Outline
Specifications
Attachment Dimensions
Tools
Standard And Test
Mechatro Controller
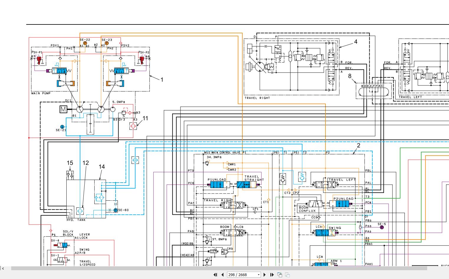
Hydraulic System
Electrical System
Components System
Diassembling And Assembling
Attachments
Upper Slewing Structure
Travel Systemtrouble Shooting By Error Codes
Troublesshoting By Trouble
Engine AR-4JJ1
Cab Interference Prevention System
Contact Us: “CLICK HERE”
Payment Method: “CLICK HERE”
Shopping Guide: “CLICK HERE”







