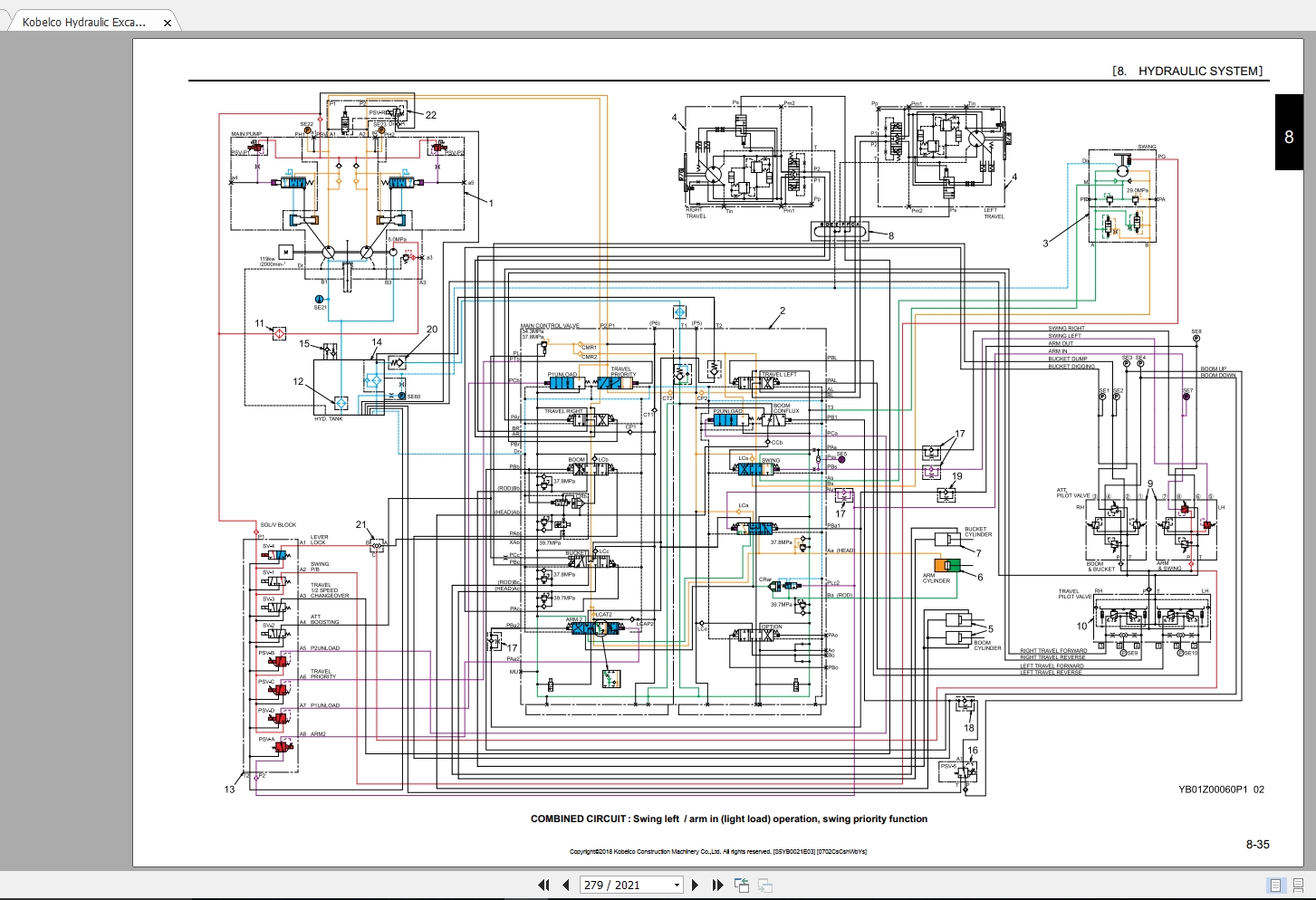
Kobelco SK230SRLC-5 Shop Manual S5YB0021E03
Size: 208 MB
Language: English
Machine: Hydraulic Excavator
Machine Model: SK230SRLC-5
Book Number: S5YB0021E03
Publication Date: 2018
Pages: 2021 pages
#More Product: Kobelco Operators Manual, Parts Catalogue, Shop Manual, Wiring Diagram





