Kobelco SK27SR-5 Service Manual S5PV0021E02
Size: 62.6 MB
Language: English
Machine: Compact Hydraulic Excavator
Machine Model: SK27SR-5
Book Code: S5PV0021E02
Publicattion Date: 2010
Pages: 765 Pages
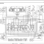
#More Product: Kobelco Operators Manual, Parts Catalogue, Shop Manual, Wiring Diagram



