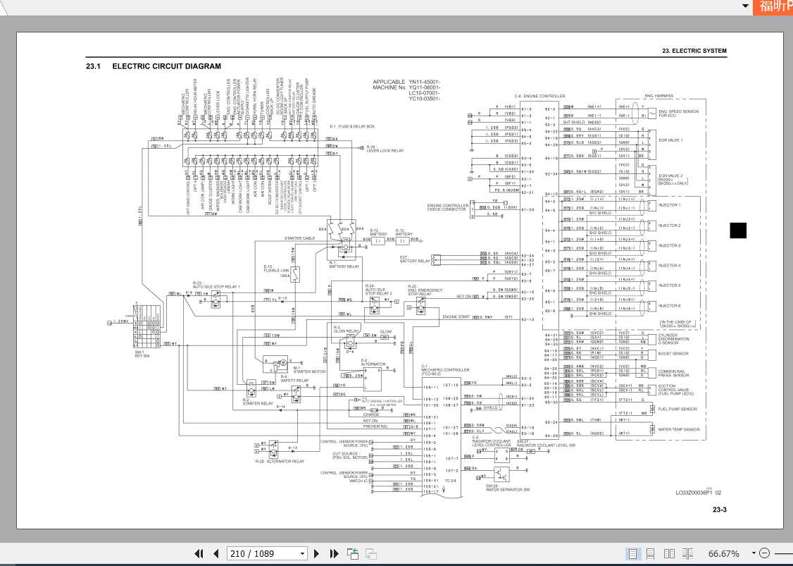
Kobelco SK350-8 Acera Mark 8 Tier 3 Shop Manual YC08U1601
Size: 109 MB
Language: English
Machine: Excavator
Machine Model: SK350-8 Acera Mark 8 Tier 3
Publicattion Date: 11/2006
Applicable Number: YC08U1601
Form Number: LC91U0002P1
Pages: 1089 Pages
#More Product: Kobelco Operators Manual, Parts Catalogue, Shop Manual, Wiring Diagram




