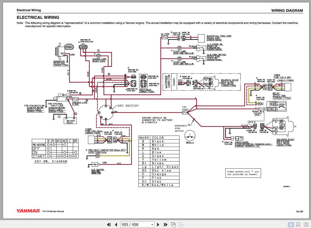
Kobelco SK50SR-5 84365627 Service Manual S5PJ0031E01
Size: 235 MB
Language: English
Machine: Hydraulic Excavator
Machine Model: SK50SR-5
Form Number: 84365627
Applicable Number: S5PJ0031E01
Publicattion Date: 2010
Pages: 958 Pages
#More Product: Kobelco Operators Manual, Parts Catalogue, Shop Manual, Wiring Diagram




