Komatsu 980E-4 Shop Manual CEBM031607
Data Size: 80.90 MB
File Type: PDF
Language: English
Manufacturer: Komatsu
Applicable Machine: Dump Truck
Document: Shop Manual, Error Code, Electrical Schematic, Hydraulic Schematic
Machine Model: Komatsu 980E-4 Dump Truck
Serial Number: A40052 - A40180
Book Number: CEBM031607
Page: 1122 Pages
List Contents:
00 Index and foreword
Index
Foreword, safety and general information
01 Specification
Specification and technical data
10 Structure and functions
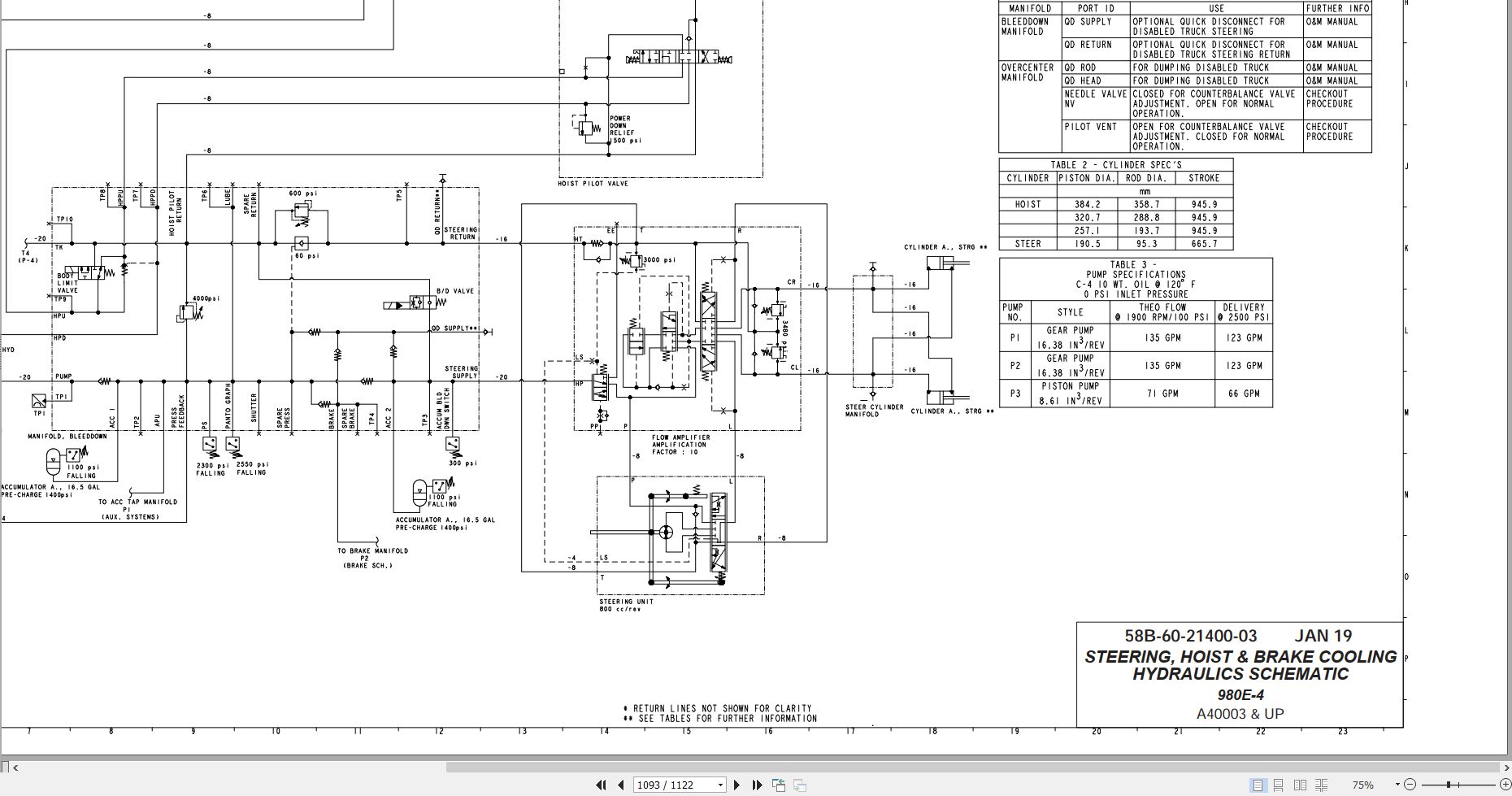
Steering circuit
Hoist circuit
Brake circuits
Electrical system, 24 volt
Electrical system, AC drive
Cab air conditioning
Reserve engine oil system
20 Standard value table
Standard service value table
30 Testing and adjusting
Steering, brake cooling and hoist hydraulic system
Brake system
Accumulators and suspensions
Interface module (IM)
Interface module 2 (IM2)
Payload meter IV
KOMTRAX Plus II
Komatsu Wireless Bridge (KWB)
Electrical system, AC Drive
Cab air conditioning
40 Troubleshooting
Fuse, diode and relay locations
AC drive system fault codes
Troubleshooting by fault code, Part 1
Troubleshooting by fault code, Part 2
Troubleshooting by fault code, Part 3
Troubleshooting by fault code, Part 4
Troubleshooting by fault code, Part 5
Troubleshooting by fault code, Part 6
Cab air conditioning
Steering system
Automatic lubrication (auto lube) system
50 Disassembly and assembly
Service tools
Wheels, spindles and rear axle
Brake system
Steering system
Suspensions
Hoist circuit
Body and structures
Operator cab
Cab air conditioning
Power module
90 Diagrams and drawings
Hydraulic circuit diagrams
Electrical circuit diagrams


