Komatsu 980E-5 Shop Manual CEBM039202
Data Size: 58.08 MB
File Type: PDF
Language: English
Manufacturer: Komatsu
Applicable Machine: Dump Truck
Document: Shop Manual, Error Code, Electrical Schematic, Hydraulic Schematic
Machine Model: Komatsu 980E-5 Dump Truck
Serial Number: A50162 and up
Book Number: CEBM039202
Page: 1094 Pages
List Contents:
00 CONTENTS AND FOREWORD
Foreword
How to Read the Shop Manual
Safety Alert Symbol and Signal Words
General Precautions Common to Operation and Maintenance
Preparations for Safe Operation
Fire and Explosion Prevention
Precautions When Getting On or Off the Machine
Precautions for Cab and Working Around Machine
Precautions for Diesel Exhaust Fluid (DEF)
Operation Precautions
Precautions at Jobsite
Precautions in Starting Engine
Precautions During Operation
Maintenance Precautions
Precautions Before Inspection and Maintenance
Precautions During Inspection and Maintenance
Precautions for Electrical Equipment
Primary Causes of Wiring Harness Failure
Control Cabinet Capacitor Discharge
Hydraulic Equipment Precautions
01 SPECIFICATIONS
Specifications
Specifications: 980E-5
Major component weights
Recommended Fuel, Coolant, and Lubricant
Suspension Cylinder Oil and Nitrogen Specifications
Wheel Motor Oil Specifications
10 STRUCTURE AND FUNCTION
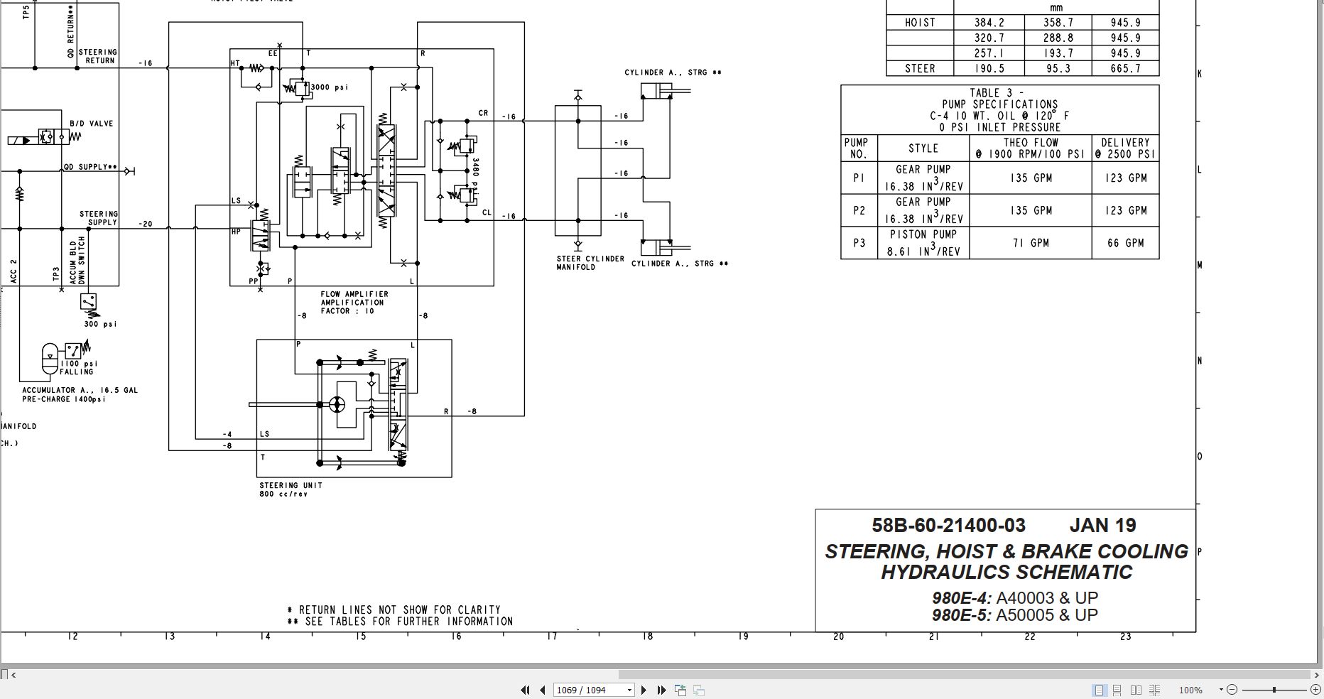
Steering System
Steering System Layout
Steering System Operation
Steering Bleeddown Manifold
Steering Control Unit
Steering Accumulators (Piston Type)
Steering/Brake Pump Operation
Flow Amplifier Operation
Hoist System
Hoist System Layout
Hoist System Operation
Hoist Control Valve
Hoist Pilot Valve
Brake System
Service Brake System Layout
Hydraulic Brake Cabinet Layout
Service Brake Operation
Parking Brake Operation
Brake Lock Operation
Secondary Braking and Auto Apply
Electrical System, 24V
Battery Power Supply
Battery Disconnect Switches
Engine Starting System
Auxiliary Control Cabinet Components
Body-Up Switch
Hoist Limit Switch
Automatic Lubrication (Auto Lube) System
Automatic Lubrication (Auto Lube) Grease Pump and Reservoir
Automatic Lubrication (Auto Lube) System Operation
Suspensions
Engine Emissions After-Treatment System Operations
20 STANDARD VALUE TABLE
Standard Value Table
30 TEST AND ADJUST
Hydraulic Systems
Hydraulic System Checkout Procedures
Hydraulic System Checkout Sheet
Steering System Leakage Check
Toe-In Adjustment
Hoist Cylinder Leakage Test
Steering Cylinder Leakage Test
Checking the Steering/Brake Pump Control Pressures
Adjusting the Steering/Brake Pump Control Pressures
High Altitude Steering/Brake Pump Adjustment
Brake System
Brake System Checkout Procedures
Brake System Checkout Sheet: 980E-5
Brake System Leakage Check
Brake Piston Leakage Test
Parking Brake Piston Leakage Test
Brake Floating Seal Pressure Test
Oil Separation Seal Pressure Test (Air Pressure Method)
Oil Separation Seal Pressure Test (Oil Pressure Method)
Wet Disc Brake Bleeding Procedure
Parking Brake Bleeding Procedure
Wet Disc Brake Wear Inspection
Parking Brake Wear Inspection
Accumulators and Suspensions
Bladder Accumulator Charging Procedure
Bladder Accumulator Leakage Test
Bladder Accumulator Storage
Piston Accumulator Charging Procedure
Piston Accumulator Leakage Test
Piston Accumulator Storage
Check for Improper Suspension Charge
Suspension Oiling and Charging Procedures
Oiling and Charging Tools and Support Blocks
Nitrogen Charging Kit Installation
Nitrogen Charging Kit Removal
Front Suspension Oiling and Charging
Rear Suspension Oiling and Charging
Suspension Pressure Test
Automatic Lubrication (Auto Lube) System
Prime the Auto Lube Pump
Prime the Auto Lube Grease Lines
Auto Lube System Checkout
Adjust the Auto Lube Cycle Timing
Cab Air Conditioning
Refrigerant Leak Detection
A/C System Performance Test
Check the A/C System Oil
A/C System Flushing Procedure
Manifold Gauge Set Installation
Refrigerant: Recycled vs Reclaimed
Refrigerant Recovery Procedure
Evacuate the A/C System
Charge the A/C System
Electrical Systems
Shutdown Procedure for Drive System Service
Electrical System Checkout Procedures
Visual Checks
Resistance Checks
Voltage Checks
Truck Function Checks
Interface Module (IM) Checks
KOMTRAX Plus II Checks
Payload Meter (PLM) Checks
Drive System Checks
Engine Delayed Shutdown Smart Timer Check
Hoist Limit Switch Check
Electrical System Checkout Sheet
Interface Module 2 (IM2)
Interface Module 2 Software and Tools
Program the IM2 Controller
Interface Module 2 Checkout Procedures
Check for IM Fault Codes
Checking Digital Inputs to the IM2
Checking Analog Inputs to the IM2
Checking Serial Communication to the IM
Checking Outputs from the IM2
Interface Module 2 Checkout Sheet
Payload Meter IV
Payload Meter IV Software and Tools
Payload Meter IV System Configuration
Configuring a Static IP Address
Payload Meter IV Software Installation
Payload Meter IV Data Downloading
Payload Meter IV Checkout Procedure
Payload Meter IV Checkout Sheet
KOMTRAX Plus II
KOMTRAX Plus II Software and Tools
Komtrax Plus II Controller Ethernet Connection
KOMTRAX Plus II Configuration
GPS Connection Test
Satellite Connection Test
Komtrax Plus II System Initialization
KomVision
KomVision Setup and Calibration Requirements
KomVision Initial Setup and Checkout Procedure
KomVision Checkout Sheet
KomVision Calibration Sheets
Calibration Sheet Layout
Unfold and Fold Calibration Sheet
Calibration Sheet Placement
KomVision Camera Calibration Procedures
Automatic 6 Camera Calibration
Manual 6 Camera Calibration
1 Camera Calibration
KomVision Radar Setting Procedure
Komatsu Wireless Bridge (KWB)
Komatsu Wireless Bridge Software and Tools
Bullet Wireless Radio Configuration
Bullet Wireless Radio Installation
NanoStation Access Point Configuration
NanoStation Access Point Connection Test
Tire Monitoring System
Tire Monitoring System Software and Tools
Tire Monitoring System Software Installation
Tire Monitoring System Configuration
Connecting to the Tire Monitoring System Web Server
Configuring a Static IP Address
Tire Monitoring System Reset
Tire Monitoring System Checkout Procedure
Tire Monitoring System Checkout Sheet
40 TROUBLESHOOTING
Fuses, Diodes and Relays
Standard Truck Fault Codes
A001
A002
A003
A004
A005
A006
A007
A008
A011
A013
A014
A016
A017
A018
A019
A022
A101
A103
A104
A105
A109
A111
A115
A117
A118
A123
A124
A125
A126
A127
A128
A139
A145
A146
A152
A153
A154
A155
A158
A166
A167
A168
A169
A170
A171
A172
A173
A184
A190
A193
A194
A195
A196
A197
A198
A199
A200
A201
A202
A203
A204
A205
A206
A207
A213
A214
A215
A216
A223
A230
A231
A233
A235
A236
A237
A240
A242
A243
A244
A245
A246
A247
A248
A249
A250
A251
A252
A253
A256
A257
A258
A260
A261
A262
A264
A265
A266
A267
A268
A270
A272
A273
A274
A275
A277
A278
A279
A280
A281
A282
A283
A284
A285
A286
A292
A303
A304
A305
A307
A309
A310
A311
A312
A313
A315
A316
A317
A318
A328
A332
A333
A334
A335
A337
A338
A339
A340
A341
A342
A343
A344
A345
A346
A347
A348
A349
A350
A351
A352
A353
A354
A355
A356
A357
A358
A359
A360
A361
A362
A363
A364
A365
A366
A400
A401
A402
A403
A404
A405
A406
A407
A408
A409
A410
A411
A412
A413
A414
A415
A416
A417
A418
A419
A420
A421
A422
A423
A424
A425
A426
A427
A428
A429
A430
A431
A432
A433
A434
A435
A436
A437
A438
A439
A440
A441
A442
A443
A444
A445
A446
A447
Aftertreatment System Fault Codes
CA256
CA1677
CA1678
CA1682
CA1683
CA1684
CA1685
CA1686
CA1712
CA1713
CA1714
CA1715
CA1887
CA2771
CA3142
CA3143
CA3146
CA3147
CA3232
CA3497
CA3498
CA3547
CA3558
CA3559
CA3562
CA3563
CA3567
CA3571
CA3572
CA3573
CA3574
CA3575
CA3712
CA3713
CA3714
CA3867
CA3868
CA3878
CA3988
CA3995
CA4113
CA4114
CA4119
CA4121
CA4152
CA4164
CA4165
CA4166
CA4168
CA4169
CA4174
CA4175
CA4233
CA4234
CA4243
CA4277
CA4457
CA4458
CA4459
CA4461
CA4462
CA4464
CA4465
CA4466
CA4467
CA4474
CA4475
CA4572
CA4677
CA4679
CA4682
CA4731
CA4732
CA4736
CA4737
CA4738
CA4739
CA4745
CA4768
CA4769
CA4842
CA4863
CA5115
CA5116
CA5117
CA5247
CA5653
CA5654
CA5725
CA5727
CA5728
CA5729
CA5748
CA5749
CA5751
CA5753
CA5755
CA5756
CA5758
CA5768
CA5769
CA5771
CA5772
CA5773
CA5774
CA5775
CA5776
CA5778
CA5779
CA5887
CA5888
CA5889
CA5891
CA5892
CA5893
CA6692
CA6693
CA6694
CA6695
CA6696
CA6697
CA6855
CA6856
KomVision Fault Codes
Troubleshoot the Steering System
Steering System Troubleshooting Guide
Basic Hydraulic System Checks
Steering/Brake Pump Troubleshooting Guide
Steering/Brake Pump Troubleshooting Checks
Steering/Brake Pump Fails to Unload
Steering/Brake Pump Fails to Develop Pressure
Steering/Brake Pump Slow to Develop Pressure
Steering/Brake Pump Control Valve Inspection
Steering/Brake Pump Case Drain Check
Troubleshoot the Auto Lube System
Troubleshoot the HVAC System
Control Panel Configurations
Diagnostics Mode
Error Codes
Advanced Diagnostics
Firmware Version
Additional HVAC Troubleshooting Chart
Voltage Levels
50 DISASSEMBLY AND ASSEMBLY
Special Tools List
Wheels, Spindles and Rear Axle
General Precautions for Tires and Rims
Lubricants for Tire and Rim Service
Tire Inflation
Rim Components
Wheel Stud Maintenance
Rear Outer Wheel Stud Installation
Front Wheel Removal
Front Wheel Installation
Rear Wheel Removal
Rear Wheel Installation
Lock Ring Removal
Lock Ring Installation
Tire Removal (Front 5-Piece Rim)
Tire Removal (Rear Outer 7-Piece Rim)
Tire Removal (Rear Inner 5-Piece Rim)
Tire and Rim Preparation
Tire Installation (Front 5-Piece Rim)
Tire Installation (Rear Inner 5-Piece Rim)
Tire Installation (Rear Outer 7-Piece Rim)
Front Wheel Hub and Spindle Removal
Spindle Removal While Off the Truck
Front Wheel Hub and Spindle Installation
Spindle, Hub and Brake Assembly Cross-Section View
Front Wheel Hub and Spindle Disassembly
Front Wheel Hub and Spindle Cleaning and Inspection
Front Wheel Hub and Spindle Assembly
Hub Floating Seal Installation
Rear Axle Removal
Rear Axle Cleaning and Inspection
Rear Axle Installation
Anti-Sway Bar Removal
Anti-Sway Bar Installation
Pivot Pin Removal
Pivot Pin Installation
Pivot Eye Bearing Wear Inspection
Pivot Eye Bearing Replacement
Pivot Eye Removal
Pivot Eye Installation
Wheel Motor Removal
Wheel Motor Cleaning and Inspection
Wheel Motor Installation
Steering System
Steering Control Unit Removal
Steering Control Unit Installation
Steering Control Unit Disassembly
Steering Control Unit Assembly
Steering Column Removal
Steering Column Installation
Steering Wheel Removal
Steering Wheel Installation
Bleeddown Manifold Removal
Bleeddown Manifold Installation
Flow Amplifier Removal
Flow Amplifier Installation
Steering Pin Joint Wear Inspection
Tie Rod Removal
Tie Rod Installation
Steering Cylinder Removal
Steering Cylinder Installation
Steering Cylinder Disassembly
Steering Cylinder Cleaning and Inspection
Steering Cylinder Assembly
Steering/Brake Pump Removal
Steering/Brake Pump Installation
Piston Steering Accumulator Removal
Piston Steering Accumulator Installation
Piston Steering Accumulator Disassembly
Piston Accumulator Cleaning and Inspection
Piston Seal Replacement
Piston Steering Accumulator Assembly
Brake System
Brake Valve Removal
Brake Valve Installation
Brake Valve/Pedal Disassembly
Brake Valve/Pedal Assembly
Front Brake Dual Relay Valve Removal
Front Brake Dual Relay Valve Installation
Rear Brake Dual Relay Valve Removal
Rear Brake Dual Relay Valve Installation
Brake Manifold Removal
Brake Manifold Installation
Brake Manifold Component Replacement
Piston Brake Accumulator Removal
Piston Brake Accumulator Installation
Piston Brake Accumulator Disassembly
Piston Accumulator Cleaning and Inspection
Piston Seal Replacement
Piston Brake Accumulator Assembly
Front Wheel Brake Disassembly
Wheel Brake Cleaning and Inspection
Front Wheel Brake Assembly
Rear Wheel Brake Removal
Rear Wheel Brake Installation
Rear Wheel Brake Disassembly
Wheel Brake Cleaning and Inspection
Rear Wheel Brake Assembly
Brake Floating Seal Installation
Parking Brake Removal
Parking Brake Installation
Parking Brake Disassembly
Parking Brake Cleaning and Inspection
New Parking Brake Disc Cleaning and Inspection
Parking Brake Assembly
Hoist System
Hoist Pump Removal
Hoist Pump Installation
Hoist Pump Disassembly
Hoist Pump Inspection
Hoist Pump Assembly
Hoist Valve Removal
Hoist Valve Installation
Hoist Valve Service
Hoist Valve O-Ring Replacement
Inlet Section Disassembly
Inlet Section Assembly
Rear Spool Section Disassembly
Rear Spool Section Assembly
Front Spool Section Disassembly
Front Spool Section Assembly
Overcenter Manifold Service
Hoist Pilot Valve Removal
Hoist Pilot Valve Installation
Hoist Pilot Valve Disassembly
Hoist Pilot Valve Cleaning and Inspection
Hoist Pilot Valve Assembly
Hoist Cylinder Removal
Hoist Cylinder Installation
Hoist Cylinder Disassembly
Hoist Cylinder Cleaning and Inspection
Quill Installation
Quill Check Ball and Plug Installation
Hoist Cylinder Assembly
Suspensions
Front Suspension Removal
Front Suspension Cleaning and Inspection
Front Suspension Installation
Front Suspension Bolted Joint Inspection
Front Suspension Charging Valve Replacement
Front Suspension Disassembly
Front Suspension Assembly
Rear Suspension Removal
Rear Suspension Installation
Rear Suspension Charging Valve Replacement
Rear Suspension Disassembly
Rear Suspension Cleaning and Inspection
Rear Suspension Assembly
Dump Body and Structures
Dump Body Removal
Dump Body Inspection
Dump Body Installation
Body Pads Removal
Body Pads Installation
Body Pad Shimming Procedure
Diagonal Ladder Removal
Diagonal Ladder Installation
Egress Gate Adjustment
RH Deck Removal
RH Deck Installation
LH Deck Removal
LH Deck Installation
Fuel Tank Removal
Fuel Tank Cleaning and Inspection
Fuel Tank Installation
Fuel Gauge Sender Removal
Fuel Gauge Sender Installation
Hydraulic Tank Removal
Hydraulic Tank Installation
Hoist Valve Service
Hoist Valve O-Ring Replacement
Inlet Section Disassembly
Inlet Section Assembly
Rear Spool Section Disassembly
Rear Spool Section Assembly
Front Spool Section Disassembly
Front Spool Section Assembly
Overcenter Manifold Service
Hoist Pilot Valve Removal
Hoist Pilot Valve Installation
Hoist Pilot Valve Disassembly
Hoist Pilot Valve Cleaning and Inspection
Hoist Pilot Valve Assembly
Hoist Cylinder Removal
Hoist Cylinder Installation
Hoist Cylinder Disassembly
Hoist Cylinder Cleaning and Inspection
Quill Installation
Quill Check Ball and Plug Installation
Hoist Cylinder Assembly
Suspensions
Front Suspension Removal
Front Suspension Cleaning and Inspection
Front Suspension Installation
Front Suspension Bolted Joint Inspection
Front Suspension Charging Valve Replacement
Front Suspension Disassembly
Front Suspension Assembly
Rear Suspension Removal
Rear Suspension Installation
Rear Suspension Charging Valve Replacement
Rear Suspension Disassembly
Rear Suspension Cleaning and Inspection
Rear Suspension Assembly
Dump Body and Structures
Dump Body Removal
Dump Body Inspection
Dump Body Installation
Body Pads Removal
Body Pads Installation
Body Pad Shimming Procedure
Diagonal Ladder Removal
Diagonal Ladder Installation
Egress Gate Adjustment
RH Deck Removal
RH Deck Installation
LH Deck Removal
LH Deck Installation
Fuel Tank Removal
Fuel Tank Cleaning and Inspection
Fuel Tank Installation
Fuel Gauge Sender Removal
Fuel Gauge Sender Installation
Hydraulic Tank Removal
Hydraulic Tank Installation
Radiator External Cleaning
Radiator Disassembly
Radiator Cleaning and Inspection
Radiator Assembly
Engine Removal
Engine Service
Engine Installation
60 MAINTENANCE STANDARD
Rules for Maintenance
Torque Specifications
Hydraulic System Bleeddown Procedure
Hydraulic System Vacuum Procedure
Hydraulic Pumps
Steering/Brake Pump
Hoist Pump
Wet Disc Brakes
Service Brake
Parking Brake
Tie Rod
Tail Lights, Clearance Lights and Turn Signals
90 CIRCUIT DIAGRAMS
CONTENTS: 980E-5
Index


