Komatsu GD405A-2 GD405A-2A Service Manual GD405A.2-SN4
Size: 2.02 MB
Machine: Motor Grader
Machine Model: GD405A-2 GD405A-2A
Serial Number: GD405A-2 1001 and up GD405A-2A 2001 and up
Part Number: GD405A.2-SN4
List File:
Komatsu GD405A-2 GD405A-2A Service Manual GD405A.2-SN4-A4 331 Pages
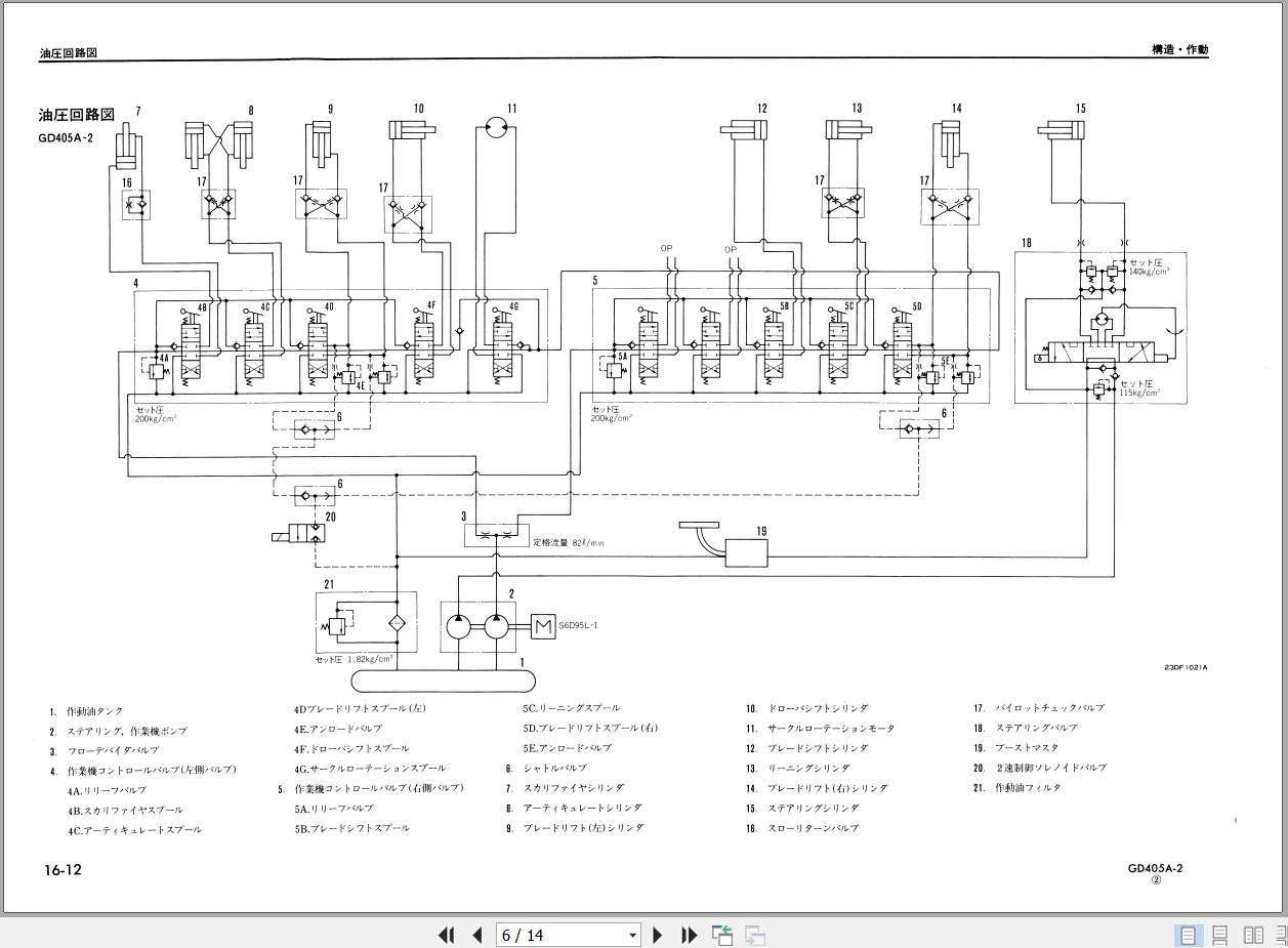
Komatsu GD405A-2 GD405A-2A Hydraulic Circuit Diagram GD405A.2-SN4-A3 14 Pages
Komatsu GD405A-2 GD405A-2A Electrical Circuit Diagram GD405A.2-SN4-A2 2 Pages


