Komatsu HD465-7E0 HD465-BE0001-Up Parts Book PBCT4657MO
Size: 73.18 MB
Language: English Chinese
Machine: Dump Truck
Machine Model: HD465-7E0
Serial Number: HD465-BE0001-Up
Page: 856 Pages
Parts Number: PBCT4657MO
The Bookmarks of Komatsu HD465-7E0 HD465-BE0001-Up Parts Book PBCT4657MO:
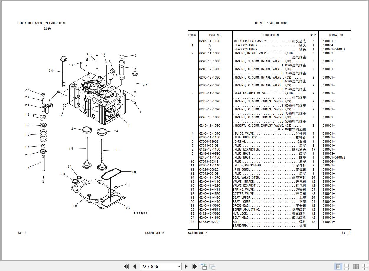
AA Engine
Bo Engine Related Parts
Co Cooling System
Do Fuel Tank And Related Parts
Eo Electrical System
Fo Torque Converter And Transmission
Go Auto Suspension Piping
Ho Hydraulic System
Jo Main Frame And Related Parts
Ko Operator’s Compartment And Control System
Lo Platform And Related Parts
Mo Guard
So Rim And Tire
To Body
Uo Marks And Plates
Vo Tool
Wo Miscellaneous
Yo Service Kit And Component Parts
#More Product: Komatsu Operators, Parts & Shop Manual


