Komatsu JMHB15H-2 Operation & Maintenance Manual PEN01728-00
Size: 2.74 MB
Machine: Hydraulic Breaker
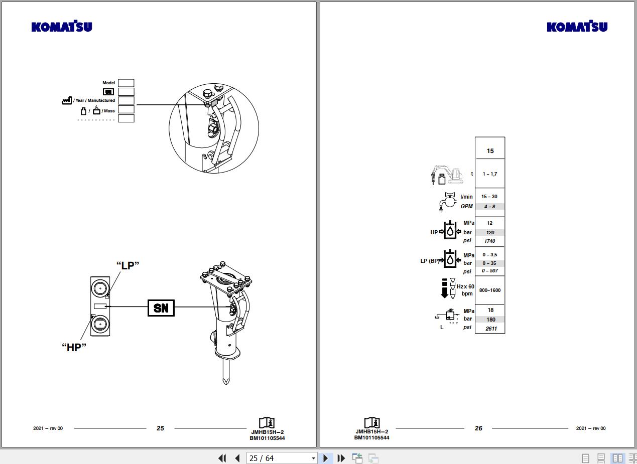
Machine Model: JMHB15H-2
Serial Number: 04801 and up
Publication Date: 2021
Page: 64 Pages
Part Number: PEN01728-00
Size: 2.74 MB
Machine: Hydraulic Breaker
Machine Model: JMHB15H-2
Serial Number: 04801 and up
Publication Date: 2021
Page: 64 Pages
Part Number: PEN01728-00


