Komatsu JMHB45H-2 Operation & Maintenance Manual PEN01731-00
Size: 2.71 MB
Machine: Hydraulic Breaker
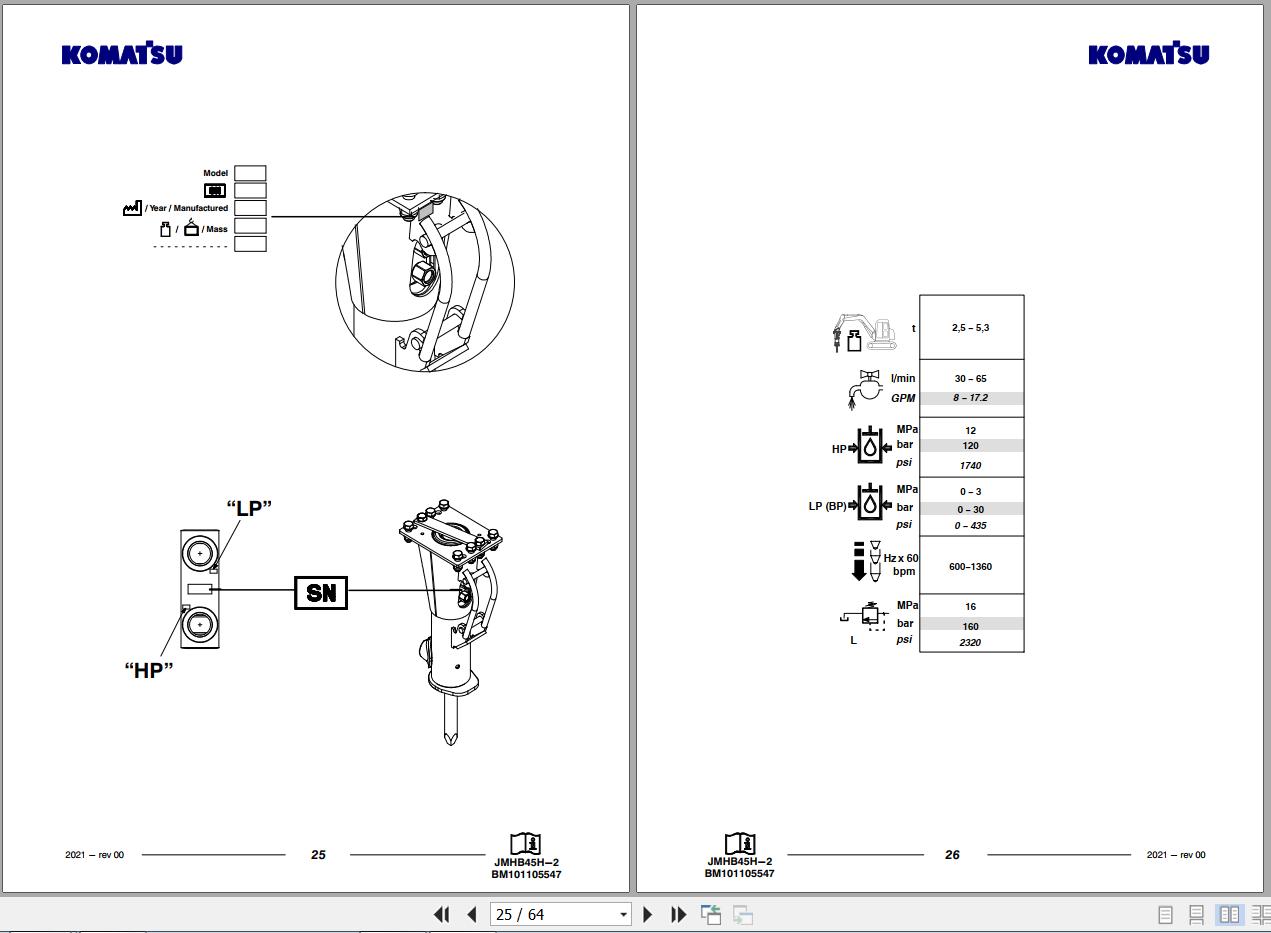
Machine Model: JMHB45H-2
Serial Number: 22001 and up
Publication Date: 2021
Page: 64 Pages
Part Number: PEN01731-00
Size: 2.71 MB
Machine: Hydraulic Breaker
Machine Model: JMHB45H-2
Serial Number: 22001 and up
Publication Date: 2021
Page: 64 Pages
Part Number: PEN01731-00


