Komatsu PC450LCD-7K High Reach Demolition K40098 Up Spare Parts Catalog
Size: 3.78 MB
Machine: Excavator
Machine Model: PC450LCD-7K High Reach Demolition
Serial Number: K40098 Up
Page: 130 Pages
The Bookmarks of Komatsu PC450LCD-7K High Reach Demolition K40098 Up Spare Parts Catalog:
Tilt Cab Main Harness (Harness, Clip)
Tilt Cab Main Harness (Clamp)
Revolving Frame (Tilt Cab)
Tilt Frame (Tilt Cylinder And Pins)
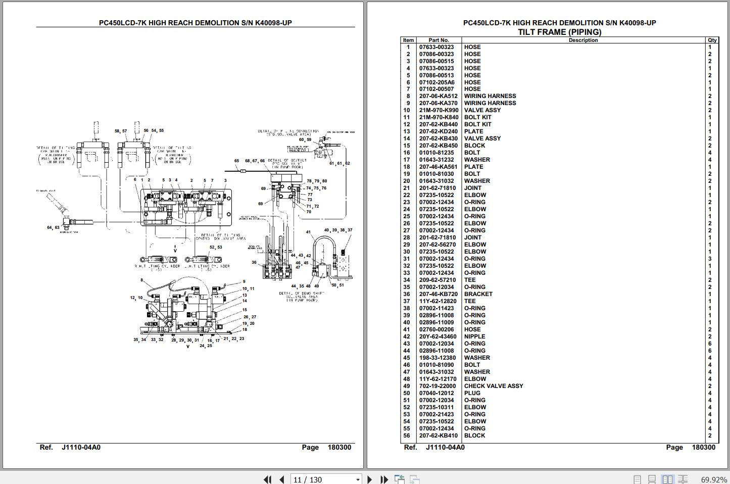
Tilt Frame (Piping)
Proximity Switch
Operator’s Cab (Roof Window)
Operator’s Cab (Door Lock)
Operator’s Cab (Roof Wiper)
Operator’s Cab (Roof Wiper Hose)
Operator’s Cab (Control Panel)
Opg Guard
Window Washer Tank G.
Floor (Control Group)(Tilt Cab)
Floor (Nc Hose)(Tilt Cab)
Floor (Heater Hose)(Tilt Cab)
Floor (Ppc)(T1lt Cab)(1i2)
Floor (Ppc)(Tilt Cab)(212)
Safety Valve Line
Tilt Cab Hydraulics (A)
Tilt Cab Hydraulics (B)
Tilt Cab Hydraulics (C)
Tilt Cab Hydraulics (D)
Tilt Cab Hydraulics (E)
Cover (Upper)(Machine Cab)
Counter Weight
Tilt Cab Undercovers (R.H.)
Tilt Cab Undercovers (L.H.)
Tilt Cab Side Guards
Tilt Cab Covers (Cab)
Hyd. Track Frame Control Piping
1st, 2nd, 3rd Boom Pins And Bushings
1st Boom Lube Piping
1st Boom Piping
1st Boom Piping Clamps
1st Boom Quick Change Unit
1st Boom Worklamp
1st Boom Angle Indicator
2nd Boom Piping
2nd Boom Quick Change Unit (112)
2nd Boom Quick Change Unit(212)
3rd Boom Piping Clamps
3rd Boom Faster Piping
1st, 2nd, 3rd Boom Faster Pipe Clamps
Mid Link Pins And Bushings
Dig Boom Piping
Arm 29m Piping
Arm 34m Piping
Mid Link Cylinder Detail
Arm Cylinder Detail
Arm Pins And Bushings
Mid Link Piping
Mid Link Lubrication Piping
Arm Piping
Mid Link And Arm Cylinder Sn Piping
Attachment Cylinder Detail(1\2)
Attachment Cylinder Detail(2\2)
Link Pins And Bushings
Transport Pin
High Reach Work Equipment Stands
Dig Boom Stand


