Komatsu PC58MR-5E0 F60001 And Up Spare Parts Catalog
Size: 12.98 MB
Machine: Excavator
Machine Model: PC58MR-5E0
Serial Number: F60001 And Up
Page: 849 Pages
The Bookmarks of Komatsu PC58MR-5E0 F60001 And Up Spare Parts Catalog:
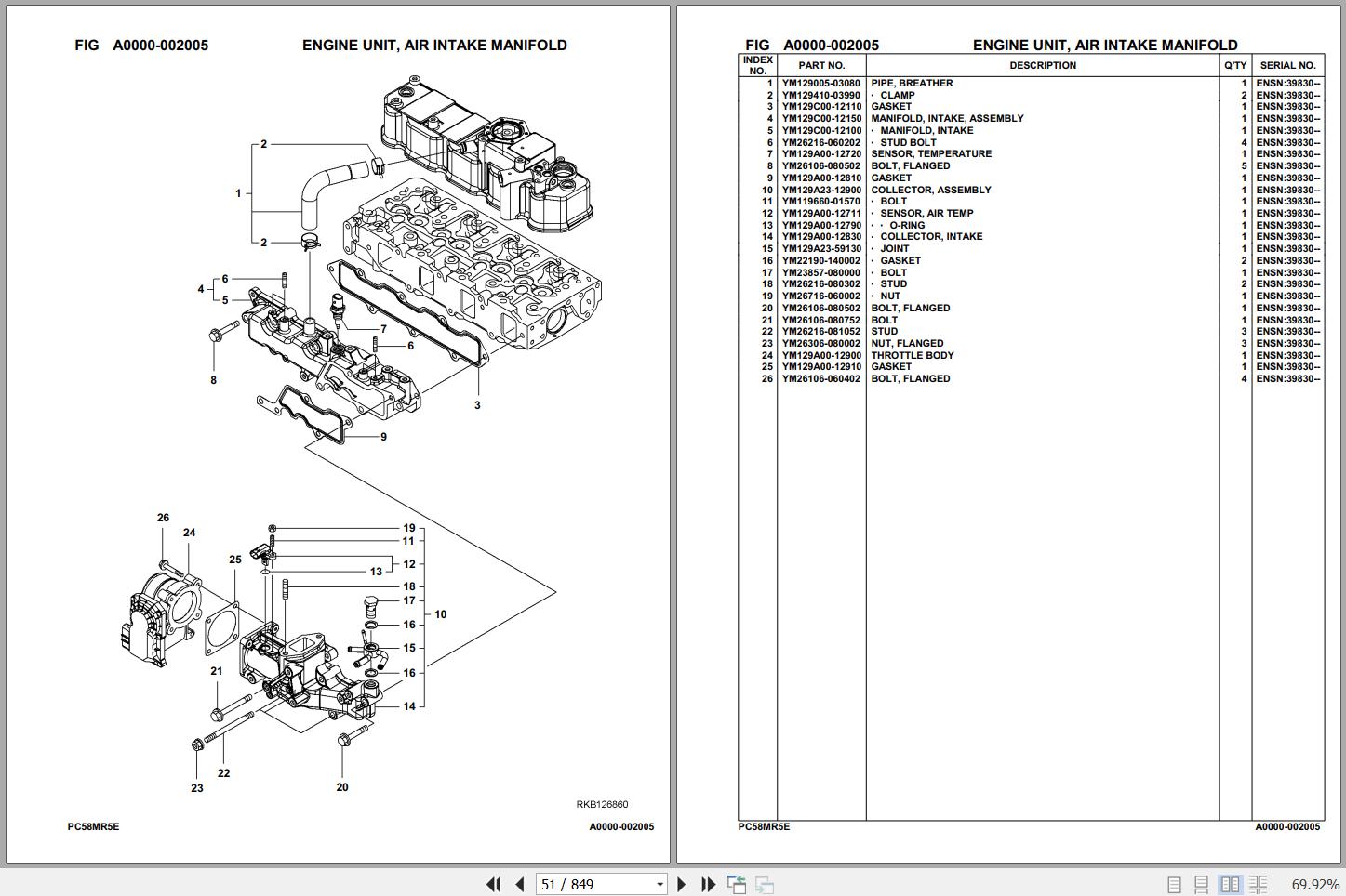
Engine Unit
Engine Related Parts
Cooling System
Fuel System
Electrical System
Hydraulic System
Frame And Its Related Parts
Operator’s Compartment And Control System
Guards And Covers
Swing Circle And Its Related Parts
U Ndercarriage
Work Equipment
Marks And Plates
Auxiliary Parts And Tool
Special Product


