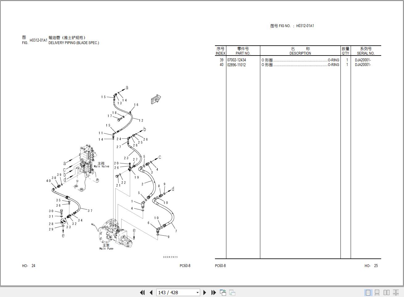
Komatsu PC60-8 DJA20001-UP Parts Book YCPB301209
Size: 30.12 MB
Language: English Chinese
Machine: Excavator
Machine Model: PC60-8
Serial Number: DJA20001-UP
Publication Date: 2017
Page: 428 Pages
Parts Number: YCPB301209
#More Product: Komatsu Operators, Parts & Shop Manual


