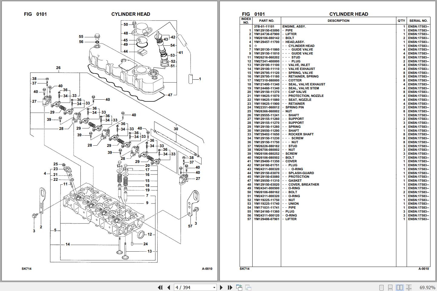
Komatsu SK714-5 37AF00004 Up Spare Parts Catalog
Size: 8.38 MB
Machine: Skid Steer Loader
Machine Model: SK714-5
Serial Number: 37AF00004 Up
Page: 394 Pages
The Bookmarks of Komatsu SK714-5 37AF00004 Up Spare Parts Catalog:
Engine
Engine Related Parts And Electrical System
Frame
Control System
Guard And Operator’s Cab
Work Equipment Control System
Work Equipment
Mark Plate


