Kubota B1700 B2100 B2400 Workshop Manual 97897-11771 1995 PDF
Data Size: 29.36 MB
File Type: PDF
Language: English
Manufacturer: Kubota
Applicable Machine: Tractor
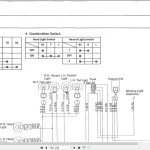
Document: Workshop Manual, Wiring Diagrams, Hydraulic Diagrams
Machine Model: Kubota B1700HSD B2100HSD B2400HSD B1700D B2100D Tractor
Parts Number: 97897-11771
Publication Date: 1995
List of Files:
B1700 B2100 B2400 Workshop Manual Part 1.pdf (233 Pages)
1 Features
2 Tractor Identification
3 General Precautions
4 Handling Precautions For Electrical Parts And Wiring
5 Lubricants, Fuel And Cooling Water
6 Tightening Torques
7 Maintenance Check List
8 Check And Maintenance
9 Special Tools
10 Tires
11 Specifications Of Implement Limitations
Mechanism
1 Features
2 Engine Body
3 Lubricating System
4 Cooling System
5 Fuel System
Servicing
Troubleshooting
Servicing Specifications
Tightening Torques
Checking, Disassembling And Servicing
1 Separating The Engine
2 Engine Body
3 Lubricating System
4 Cooling System
5 Fuel System
B1700 B2100 B2400 Workshop Manual Part 2.pdf (233 Pages)



