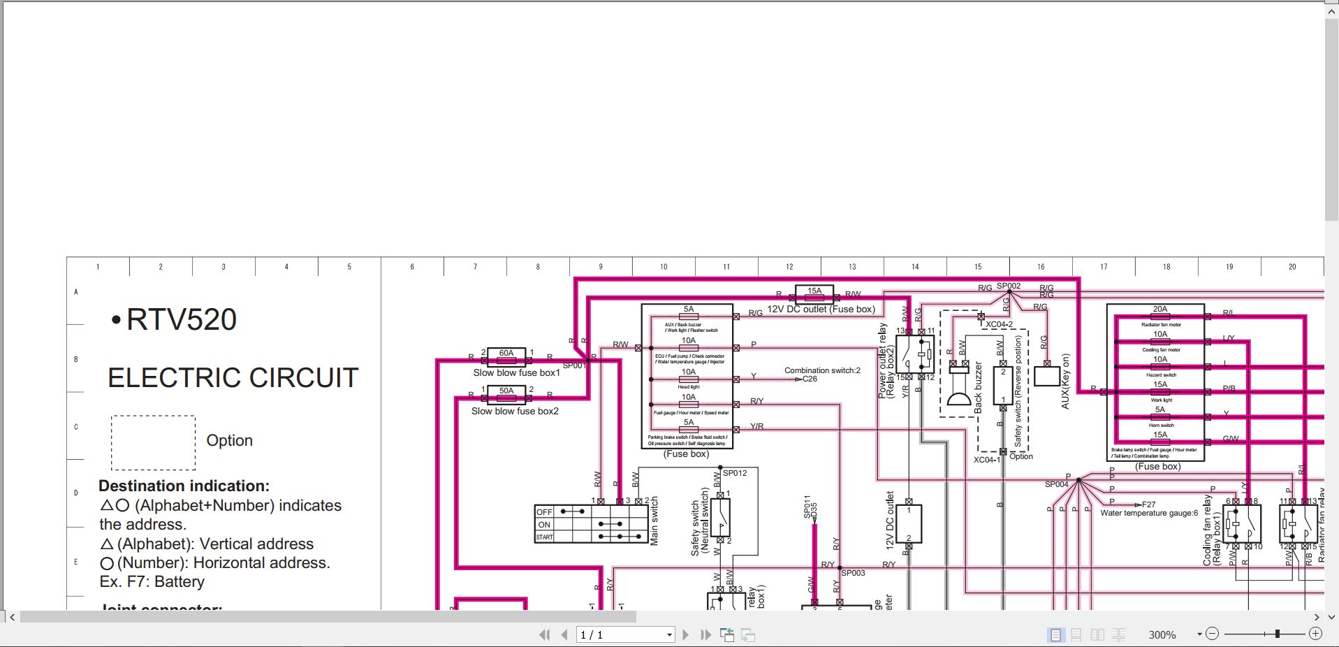
Kubota RTV520 Electric Circuit 2022 PDF
Data Size: 0.53 MB
File Type: PDF
Language: English
Manufacturer: Kubota
Applicable Machine: Utility Vehicle
Document: Electric Circuit
Machine Model: Kubota RTV520 Utility Vehicle
Publication Date: 2022
Page: 1 Pages


