Landini 6-125H 6-135H Service Manual 6727101A1
Size: 378.67 MB
Machine: Tractor
Document: Service Manual, Hydraulic and Electrical Diagrams
Machine Model: Landini 6H Series 6-125H 6-135H Tractor
Part Book: 6727101A1
Publication Date: 2023
Page: 3080 Pages
Detail Content:
Series 6h
Introduction
Liability
Purpose Of The Manual
Copyright
Table Of Contents
1001 - Safety
Introduction
Technical Notes
Maintain The Tractor In A Safe Way
Danger Signs
Tightening Torques
1750 - Specific Equipment Catalogue
Specific Equipment
2000 - Engine
Technical Specifications
Annexes
2002 - Exhaust Gas Treatment System
Technical Specifications
Safety
Ats System
Adblue®
3004 - Other Tanks
Adblue® Fluid Tank
3005 - Fuel Tank
Fuel Tank
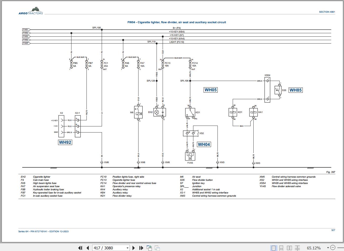
4001 - Electric System
Technical Specifications
Safety
Fuses And Relays
Component Sheets
Wiring Harnesses Locations
Wiring Diagrams
4002 - Instrument Cluster Set-Up And Calibrations
Instrument Cluster Set-Up
Calibration From The Instrument Cluster
Calibrations With The Diagnostic Tool
7500 - Steering System - Operation
Description
Operation
6000 - Transmission
Description
Section Drawings
6001 - Engine - Transmission Coupling
Operation
6002 - Engine-Gearbox Assembly
Operation
Sections And Perspective Views
6006 - Gearbox
Operation
Sections And Perspective Views
6012 - Rear Differential
Operation
Sections And Perspective Views
6014 - Four-Wheel Drive
Operation
Sections And Perspective Views
6015 - Rear Final Drives
Operation
Sections And Perspective Views
6019 - Rear Pto
Operation
Sections And Perspective Views
6021 - Front Axle
Operation
Sections And Perspective Views
6025 - Front Power Take-Off
Operation
7000 - Brakes - Operation
Description
Hydraulic Trailer Brake
Distribution Valve
Trailer Air Brakes
7003 - Brakes Inspections And Adjustments
Safety
Brakes
Diagnostic Tests Of The Air Brake System
“Pick-Up Hitch”
8000 - Hydraulic Circuit - Operation
Technical Specifications
Hydraulic System
Iso And Functional Diagrams
Hydraulic Pumps
Hydraulic Power Packs
Suspended Axle
Rear Hydraulic Control Valves
Midmount Control Valves
Transmission Breather And Oil Filling
8001 - Troubleshooting For The Hydraulic System
Safety
Technical Specifications
Fault Diagnostics
Hydraulic System Diagnostic Testing
8005 - Front Hitch
Front Hitch
8007 - Rear Hitch
Rear Hitch
9004 - Air Conditioning System
Safety
Technical Specifications
Description And Operation
System Servicing
Pressure Tests
Diagnostics And Troubleshooting
9005 - Operator Seat
Safety
Description
Annexes
10000 - Diagnostics
Can Bus System
Can Error Handling
Instrument Cluster Control Unit Ec1
Transmission Control Unit Ec4
Engine Control Unit Ec6
Hitch Control Unit Ec9
Satellite Autoguide Monitor X25 Ec31
Trailer Braking Control Unit Ec35
Telematics Control Unit Ec41
Suspended Axle And Isobus Control Unit Ec43
11000 - Disassembly Procedures
Safety
Front Hitch And Pto
Bonnet
Tanks
Four-Wheel Shaft
Front Axle
Engine
Engine - Transmission Coupling
Steering Column
Power Steering
Engine-Gearbox Assembly
Gearbox
Rear Differential
Rear Power Take-Off, 2 Speeds
Rear Power Take-Off, 4 Speeds
Rear Final Drives
Cab
Annexes
Engine Manual
Operator Seat Manual



