Landini 6-135 6-145 6-155 ROBO-SIX Service Manual 6735446A1
Size: 586.58 MB
Language: Deutsch
Machine: Tractor
Document: Service Manual, Hydraulic and Electrical Diagrams
Machine Model: Landini 6 Robo-Six Series Tractor
6-135 ROBO-SIX 6-145 ROBO-SIX 6-155 ROBO-SIX
Part Book: 6735446A1
Publication Date: 2023
Page: 3662 Pages
Detail Content:
Serie 6 Robo-Six
Einleitung
Verantwortung
Zweck Des Handbuchs
Copyright
Allgemeines Inhaltsverzeichnis
1001 - Sicherheit
Vorwort
Technische Normen
Sichere Wartung Des Traktors
Warnschilder
Anzugsmomente
1500 - Spezialwerkzeug-Katalog
Spezialwerkzeuge
2000 - Motor
Technische Daten
2002 - Abgasreinigungssystem
Technische Daten
Sicherheit
Ats-System
Adblue®
Ats-Verwaltung
3005 - Tank
Bestandteile Des Kraftstofftanks
Bestandteile Des Adblue®-Tanks
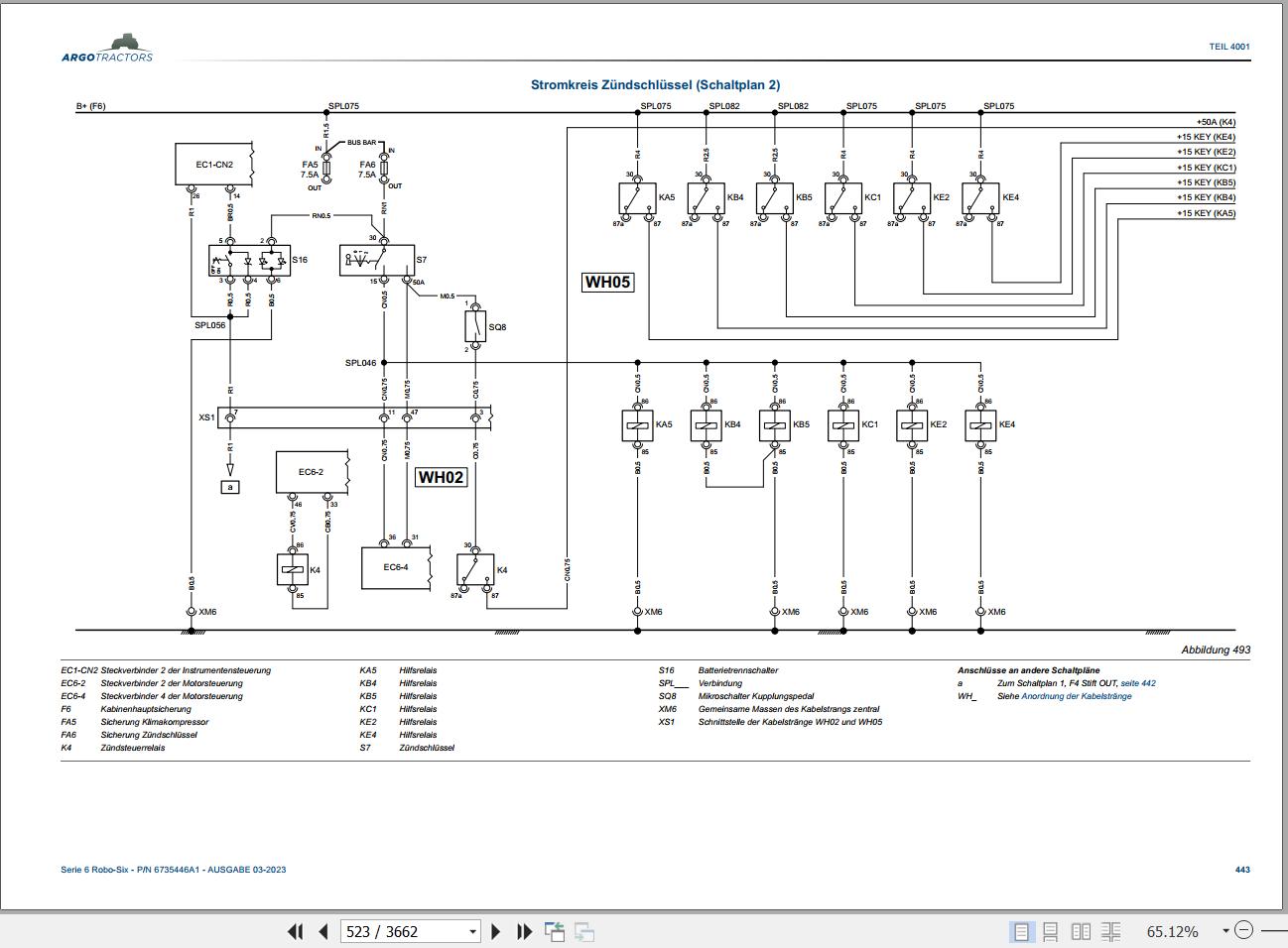
4001 - Elektrische Anlage
Technische Daten
Sicherheit
Sicherungen Und Relais
Übersicht Bedienerschnittstelle
Übersicht Zu Den Steckdosen
Übersicht Zur Lichtausstattung
Schaltpläne Der Komponenten
Anordnung Der Kabelstränge
Schaltpläne
4002 - Konfiguration Der Instrumententafel Und Kalibrierungen
Konfiguration Der Instrumententafel
Kalibrierungen Mit Dem Instrument
Kalibrierung Der Gefederten Achse
Kalibrierungen Mit Dem Diagnose-Gerät
5000 - Lenksystem - Funktionsweise
Hydrolenkung
Beschreibung Des Hydraulischen Kreislaufs
6000 - Getriebe - Funktionsweise
Getriebe
Gruppe „Powershift“
Gruppe Wendegetriebe
Schaltgetriebe
Allradantrieb
Kegelradantrieb Und Differential
Endantriebe Hinten
Heckzapfwelle
7000 - Bremsen - Funktionsweise
Bremskreislauf
Hydraulische Anhängerbremse
Bremskraftverteilungsventil
Anhänger-Druckluftbremsen
7003 - Prüfung Und Einstellungen
Sicherheit
Bremsen
Diagnostische Tests Der Druckluftanlage
„Pick-Up Hitch“
8000 - Hydraulische Anlage - Funktionsweise
Technische Daten
Hydraulische Anlage
Hydropumpen
Hydroblöcke
Prioritätsventil
Hydrolenkung
Hydraulische Anhängerbremsanlage
Hecksteuergeräte
Gefederte Achse
Frontkraftheber
Zwischenachs-Steuergerät
Hintere Hydraulische Anschlüsse
Getriebeentlüftung Und Öleinfüllung
8001 - Fehlersuche In Der Hydraulischen Anlage
Sicherheit
Technische Daten
Fehlerdiagnose
Diagnostische Tests Der Hydraulikanlage
9000 - Kabine
Technische Daten
Klimaanlage
Kompressor
Kondensator
Verdampfer
Druckschalter Gekühlte Luft
Temperatursensor Mischluft Nur Mit Automatischer Klimaanlage
Temperatursensor Außerhalb Kabine Nur Mit Automatischer Klimaanlage
Temperatursensor Außerhalb Kabine Nur Mit Automatischer Klimaanlage
Sonneneinstrahlungssensor Nur Mit Automatischer Klimaanlage
Schalttafel Der Automatischen Klimaanlage
Schalttafel Der Manuellen Klimaanlage
9004 - Klimaanlage
Sicherheit
Wartung Der Klimaanlage
Druckprüfungen
Diagnose Und Fehlersuche
9005 - Fahrersitz
Sicherheit
Beschreibung
Anhang
10000 - Diagnostik Alarme Steuerungen
Can Bus System
Fehlermanagement Via Can
Instrumentensteuerung Ec1
Getriebesteuerung Ec4
Motorsteuerung Ec6
Steuerung Kraftheber Und Lichtmanagement Ec9
Steuerung Der Gefederten Achse Ec10
Armlehnensteuerung Ec15
Steuerung Der Zwischenachs-Steuergeräte Ec16
Steuerung Der Klimaanlage Ec17
Tecu Isobus-Steuerung Ec24
Gps-Antenne Ec27
Steuerung Der Elektronischen Hydrolenkung Ec28
Monitor Des Satellitengestützten Lenksystems X25 Ec31
Steuerung Der Anhängerbremsanlage Ec35
11000 - Demontagen
Sicherheit
Vorbereitungen
Tanks
Lenksäule
Motor
Frontkraftheber Und Frontzapfwelle
Vorderachse
Kabine
Gruppe „Powershift“
Gruppe Wendegetriebe
Bereichsgruppe
Heckkraftheber
Heckzapfwelle
Gruppe Kriechganggetriebe (Sofern Vorhanden)
Gruppe Allradantrieb
Endantriebe Hinten
Differential
Anhang
Handbuch Des Motors
Handbuch Der Vorderachse
Handbuch Des Fahrersitzes



