Landini 7-165 7-170 7-175 7-180 ROBO-SIX Service Manual 6720654A2
Size: 548.33 MB
Machine: Tractor
Document: Service Manual, Hydraulic and Electrical Diagrams
Machine Model: Landini 7 V-Shift SWB Series Tractor
7-165 ROBO-SIX, 7-170 ROBO-SIX, 7-175 ROBO-SIX, 7-180 ROBO-SIX
Part Book: 6720654A2
Publication Date: 2022
Page: 4542 Pages
Detail Content:
7 Series V-Shift SWB
Introduction
Liability
Purpose Of The Manual
Copyright
Table Of Contents
1001 - Safety
Introduction
Technical Notes
Maintain The Tractor In A Safe Way
Danger Signs
Tightening Torques
2 - Engine
Technical Specifications
Annexes
2002 - Exhaust Gases Treatment System
Technical Specifications
Safety
Ats System
Adblue®
2003 - Engine Removal
Technical Specifications
Safety
Engine
3005 - Tank
Technical Specifications
Safety
Procedures
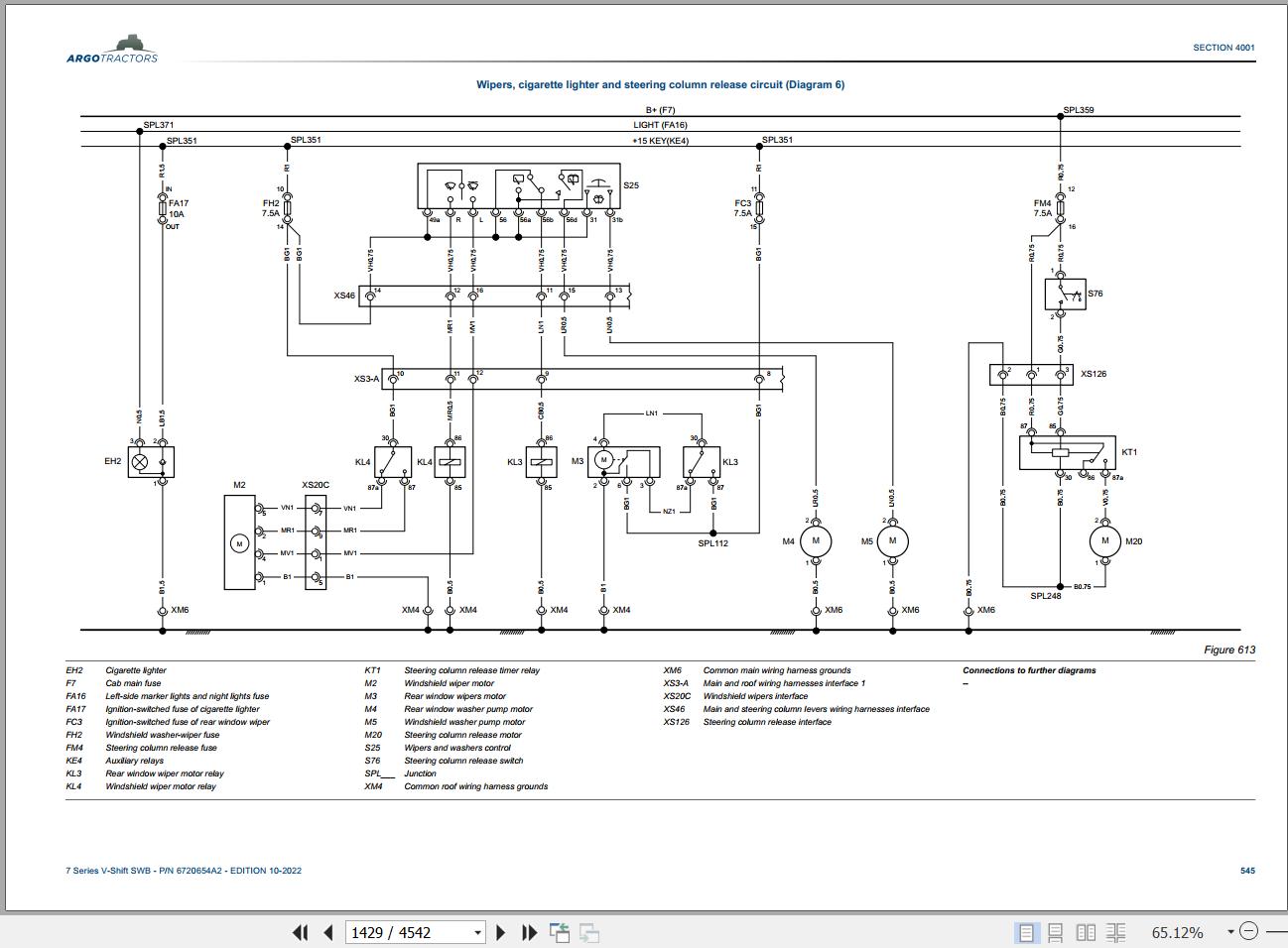
4001 - Electric System
Technical Specifications
Safety
Fuses And Relays
Operator's Interface Overview
Sockets Overview
Lights Overview
Component Sheets
Wiring Harnesses Locations
Wiring Diagrams
4002 - Instrument Cluster Set-Up And Calibrations
Instrument Cluster Set-Up
Calibration From The Instrument Cluster
Calibrations With The Diagnostic Tool
5 - Steering System - Operation
Power Steering System
Description Of The Hydraulic System
5001 - Steering Column And Power Steering System
Technical Specifications
Sections And Perspective Views
Safety
Steering Column And Power Steering System
6 - Transmission
Transmission
Hydrostatic Unit
Mechanic Unit
General Operating Principle
Annexes
6001 - Engine - Transmission Coupling
Torsional Coupling
6021 - Front Axle
Technical Specifications
Safety
Front Axle
Annexes
6025 - Front Hitch And Pto
Technical Specifications
Sections And Perspective Views
Safety
Front Hitch Maintenance
Front Pto Maintenance
7 - Brakes - Operation
Brake Circuit
Hydraulic Trailer Brake
Trailer Brake System, Eec Type
Trailer Brake System Of The Italy “Cuna” Type
Trailer Brake System Eu Type 2015/68
Brake Bleed Nipples
On-Off Valve
Trailer Air Brakes
Iso And Functional Diagrams - Air Braking System
System Components
Troubleshooting
Diagnostic Tests Of The Air System
7003 - Adjustments And Inspections
Safety
Brakes
“Pick-Up Hitch”
8 - Hydraulic Circuit - Operation
Technical Specifications
Hydraulic Circuit
Hydraulic Pumps
Pressure Control Power Pack
Clutches Solenoid Valves Unit
Hydrostatic Unit
Cut-Off Valve
Dynamic Priority Valve
Signal Line Manifold
Power Steering System
Hydraulic Trailer Braking
Rear Auxiliary Control Valves
Suspended Axle
Front Hitch
Midmount Control Valve
Rear Hydraulic Unions
Transmission Breather And Oil Fill
8001 - Troubleshooting Of The Hydraulic System
Troubleshooting
Hydraulic System Diagnostic Testing
8003 - Piston Pump
Technical Specifications
Safety
Procedure For Piston Pump
9 - Cab
Technical Specifications
A/C System
Compressor
Condenser
Evaporator
Air Conditioning Pressure Switch
Mixed Air Temperature Sensor (With Automatic A/C Only)
Cab External Temperature Sensor (With Automatic A/C Only)
Cab Inner Temperature Sensor (With Automatic A/C Only)
Sun Radiation Sensor (With Automatic A/C Only)
Automatic A/C Control Panel
Manual A/C Control Panel
9002 - Cab Removal
Technical Specifications
Safety
Cab
9004 - A/C System
Safety
Electrical System Maintenance
Pressure Tests
Troubleshooting
9005 - Operator Seat
Safety
Description
Annexes
10000 - Control Units Alarms Diagnostics
Can Bus System
Error Handling Via Can
Instrument Cluster Control Unit Ec1
Engine Control Unit Ec6
Hitch And Lights Management Control Unit Ec9
Suspended Axle Control Unit Ec10
Armrest Control Unit Ec15
Midmount Valves Control Unit Ec16
Air Conditioning Control Unit Ec17
Vehicle Vdc Control Unit Ec23
Trailer Braking Control Unit Ec35
Transmission Control Unit Ec40
Suspended Cab And Isobus Control Unit Ec43



