Landini LANDPOWER II 125 135 145 165 Service Manual 6697393A1
Size: 208.49 MB
Machine: Tractor
Document: Service Manual, Hydraulic and Diagrams
Machine Model: Landini LANDPOWER II 125, LANDPOWER II 135, LANDPOWER II 145, LANDPOWER II 165 Tractor
Part Book: 6697393A1
Publication Date: 2020
Page: 1310 Pages
Detail Content:
Landpower II
Introduction
Liability
Purpose Of The Manual
Copyright
Table Of Contents
2_Engine
Contents
Technical Specifications
Annexes
5_Steering System Operation
Power Steering
6_Transmission Operation
Transmission 5
Transmission With Mechanical Reverse Shuttle 11
Transmission With Hml Power Reverse Shuttle 19
Gearbox 31
Speed Ranges 40
Four-Wheel Drive 49
Bevel Gear Pair And Differential 55
Side Final Drives 61
Rear Power Take-Off 67
Front Axle 77
Transmission
Transmission With Mechanical Reverse Shuttle
Transmission With Hml Power Reverse Shuttle
Gearbox
Speed Ranges
Four-Wheel Drive
Bevel Gear Pair And Differential
Side Final Drives
Rear Power Take-Off
Front Axle
7_Brakes Operation
Contents
Brakes
Power Brake Pump
Standard Brake Pump
Parking Brake
Trailer Brake System
Troubleshooting
Diagnostic Tests Of The Air System
8_Hydraulic Components Operation
Contents
Hydraulic Components
Pumps
Solenoid Valves Controller For Users Control
Hml Reverse Shuttle Solenoid Valves Pack
Solenoid Valves Pack For Pto Control
Hydraulic Hitch With Mechanical Control
Auxiliary Spool Valves (Set-Up With Mechanical Hitch)
Electronically Controlled Hydraulic Hitch
Auxiliary Spool Valves (Set-Up With Electronic Hitch)
10_Can Line Controllers Operation
Contents
Introduction
Error Handling Via Can
Safety
Check-Control And Troubleshooting
Descriptions And Diagrams
Basic Checks
1001_Safety
General Instructions
Symbols
Danger Signs
Tightening Torques
3005_Tanks And Reservoirs
Contents
Technical Specifications
Safety
Tanks And Reservoirs
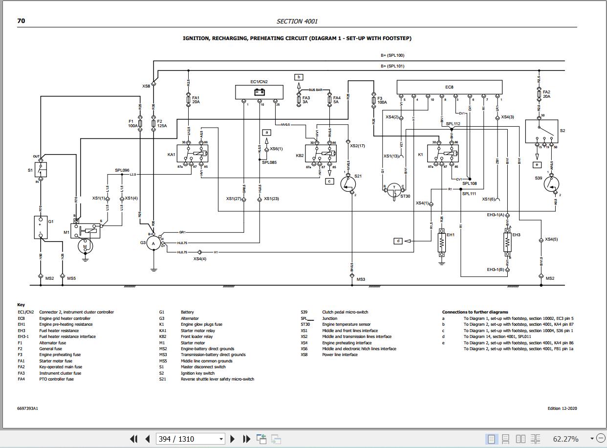
4001_Descriptions - Wiring Diagrams - Connectors
Contents
Technical Specifications
Safety
Symbols And Names
Fuses And Relays
Controls
Sockets
Light Units
Topographic Diagrams
Descriptions And Diagrams
Complete List Of Connections
4002_Programming The Instrument Cluster
General Information
Programming
5001_Steering Column And Power Steering System
Technical Specifications
Safety
Steering Column And Power Steering System
5002_Power Steering System
Technical Specifications
Power Steering System
6002_Engine Gearbox Assembly (Set-Up With Hml Power Reverse Shuttle)
Contents
Technical Specifications
Safety
Sections And Perspective Views
Engine-Gearbox Assembly
6002_Engine-Gearbox Assembly (Set-Up With Mechanical Reverse Shuttle)
Contents
Technical Specifications
Safety
Sections And Perspective Views
Engine-Gearbox Assembly
6006_Gearbox And Ranges
Contents
Technical Specifications
Safety
Sections And Perspective Views
Gearbox
6012_Rear Differential
Technical Specifications 3
Sections And Perspective Views 6
Safety 8
Rear Differential Assembly 9
Troubleshooting For The Bevel Gear Pair And Differential 21
Technical Specifications
Sections And Perspective Views
Safety
Rear Differential Assembly
Troubleshooting For The Bevel Gear Pair And Differential
6014_4wd Housing
Technical Specifications
Safety
4wd Housing
Diagnosis Of Malfunction In Locking Device Of Front Differential
6018_Side Final Drives
Technical Specifications 3
Sections And Perspective Views 6
Safety 9
Rear Final Drives 10
Technical Specifications
Sections And Perspective Views
Safety
Rear Final Drives
6019_Rear Power Take-Off
Contents
Technical Specifications
Safety
Sections And Perspective Views
Rear Power Take-Off
6021_Argo Front Axle
Technical Specifications
Safety
Front Axle
Diagnosis Of Malfunction In Locking Device Of Front Differential
6021_Carraro Front Axle
Carraro Front Axle
Annexes
8001_Hydraulic Components Inspections And Adjustments
Technical Specifications
Troubleshooting
8005_Front Hitch And Pto (Only For Hydraulic System With Gear Pump)
Technical Specifications
Safety
Front Hitch And Pto
8007_Rear Hitch
Technical Specifications
Mechanically Controlled Hydraulic Hitch
Electronically Controlled Hydraulic Hitch
9005_Operator's Seat
Safety
Operator's Seat
Annexes
10002_Hitch Controller Calibration, Error Codes, Troubleshooting, Descriptions, Wiring Diagrams
Contents
Technical Specifications
Safety
General Information About The Rear Hitch Controller
Functional Tests
Adjustments
Descriptions And Diagrams
Error Codes - Electrical Diagnosis
Error Codes - Settings And Programming
10004_Power Take-Off Controller Error Codes, Troubleshooting, Descriptions, Wiring Diagrams
Technical Specifications
Safety
Electronic Control Of Rear Power Take-Off
Descriptions And Diagrams
Error Codes - Electrical Diagnosis
10006_Transmission Controller Calibration, Error Codes, Troubleshooting, Descriptions, Wiring Diagrams
Contents
Technical Specifications
Safety
Electronic Control Unit
Clutch Pedal Calibration
Transmission Calibration
Descriptions And Diagrams
Error Codes - Electrical Diagnosis
Error Codes - Settings And Programming
10009_Instrument Cluster Controller Description And Wiring Diagrams
Contents
Technical Specifications
Safety
Instrument Cluster Controller
Descriptions And Diagrams



