Landini MISTRAL 2-055 MISTRAL 2-060 Service Manual 6698144A1
Size: 239.89 MB
Machine: Tractor
Document: Service Manual, Hydraulic and Diagrams
Machine Model: Landini MISTRAL 2-055 MISTRAL 2-060 Tractor
Part Book: 6698144A1
Publication Date: 2022
Page: 1186 Pages
Detail Content:
MISTRAL 2
Introduction
Liability
Purpose Of The Manual
Copyright
Table Of Contents
1001 - Safety
Introduction
Technical Notes
Maintain The Tractor In A Safe Way
Danger Signs
Tightening Torques
1500 - Specific Equipment Catalogue
Specific Equipment
2000 - Engine
Technical Specifications
Annexes
2002 - Exhaust Gas Treatment System
Safety
Ats System
3500 - Fuel Tank
Technical Specifications
Tank Components
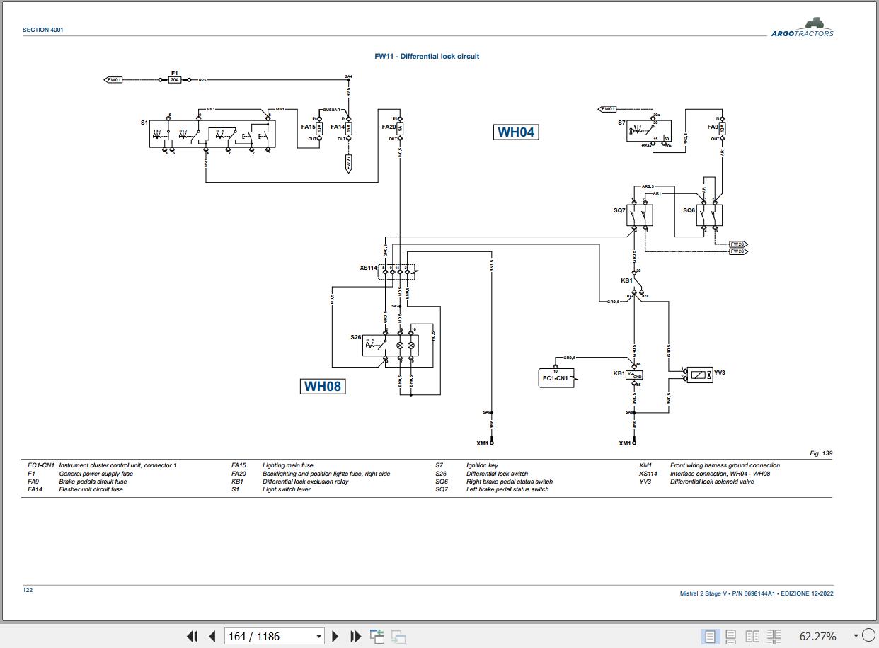
4001 - Electric System
Technical Specifications
Safety
Fuses And Relays
Component Locations
Wiring Harnesses Locations
Information On Wiring Diagrams
Wiring Diagrams
4002 - Instrument Cluster Control Unit Setup And Calibrations
General Instrument Cluster Specifications
5000 - Steering System - Operation
Power Steering System
Operation
6000 - Transmission - Operation
Description And Operation
6001 - Engine - Transmission Coupling
Exploded Views
6006 - Gearbox And Ranges
Technical Specifications
6012 - Rear Differential
Technical Specifications
Exploded Views
Fault Diagnostics
6015 - Rear Final Drives
Technical Specifications
Description
Exploded Views
Fault Diagnostics
6019 - Rear Pto
Technical Specifications
Exploded Views
Fault Diagnostics
6021 - Front Axle
Technical Specifications
Section Views
Fault Diagnostics
7000 - Brakes - Operation
Main Brakes
Parking Brake
Fault Diagnostics
7003 - Brakes - Overhaul And Adjustments
Safety
Procedures
8000 - Hydraulic Circuit - Operation
Technical Specifications
Iso Hydraulic Diagram
Hydraulic Components
8005 - Front Hitch And Pto
Front Hitch
Sections And Perspective Views
8007 - Rear Hitch
Adjustments And Inspections
Fault Diagnostics
9004 - Air Conditioning System
General
Procedures
Troubleshooting
9005 - Operator Seat
Safety
Annexes
10000 - Control Units Alarms Diagnostics
Can Bus System
Error Handling Via Can
Instrument Cluster Control Unit Ec1
Engine Control Unit Ec6
11000 - Disassembly Procedures
Hood
Fuel Tank
Steering Column And Power Steering System
Engine
Clutch
Gearbox And Ranges
Rear Differential
Rear Final Drives
Rear Pto
Front Axle
Brakes
Front Hitch
Rear Hitch
Cab
Annexes
Engine Workshop Manual
Operator's Seat Manual



