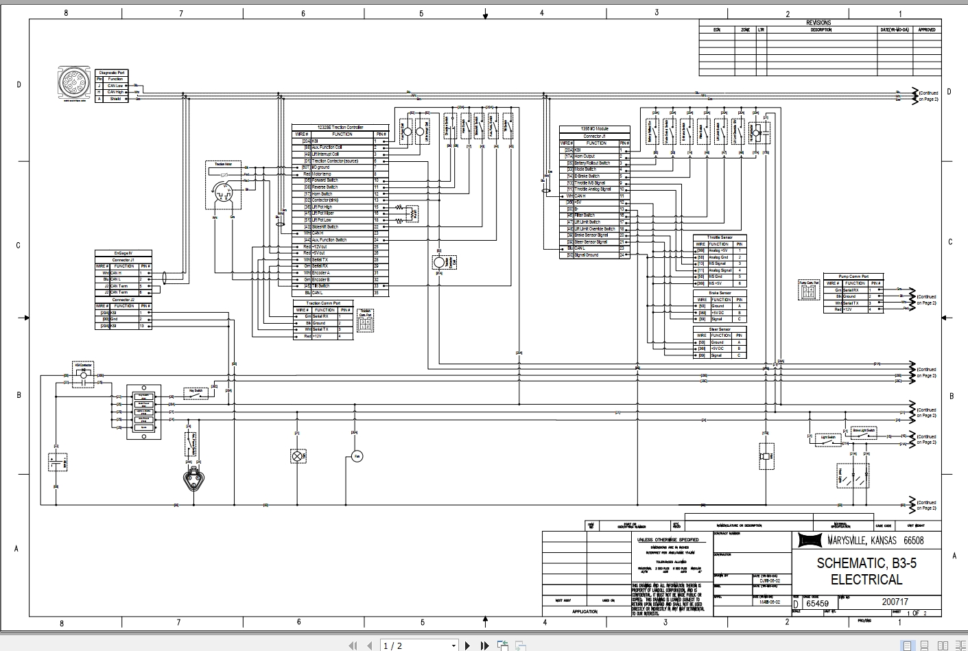
Landoll Bendi B3-5 Electrical Schematic 200717
Size: 0.2 MB
Machine: Forklift
Machine Model: Bendi B3-5
Publication Date: 2016
Page: 2 Pages
Re-Order Part Number: 200717
Landoll Bendi B3-5 Electrical Schematic 200717
Size: 0.2 MB
Machine: Forklift
Machine Model: Bendi B3-5
Publication Date: 2016
Page: 2 Pages
Re-Order Part Number: 200717

