Liebherr LTL 1025 Z20001 Electric and Pneumatic Diagrams DE
Data Size: 14.72 MB
File Type: PDF
Language: German
Manufacturer: Liebherr
Applicable Machine: Crane
Document: Electric Diagrams, Pneumatic Diagrams
Machine Model: Liebherr LTL 1025 Z20001 Crane
(LTL1025, LTL/1025, LTL_1025, LTL-1025)
List Contents:
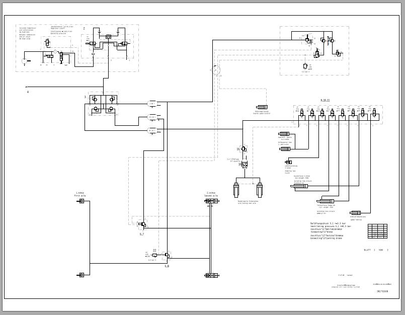
Compressed-Air System Diagrams 981750308_003 DE.pdf (2 Pages)
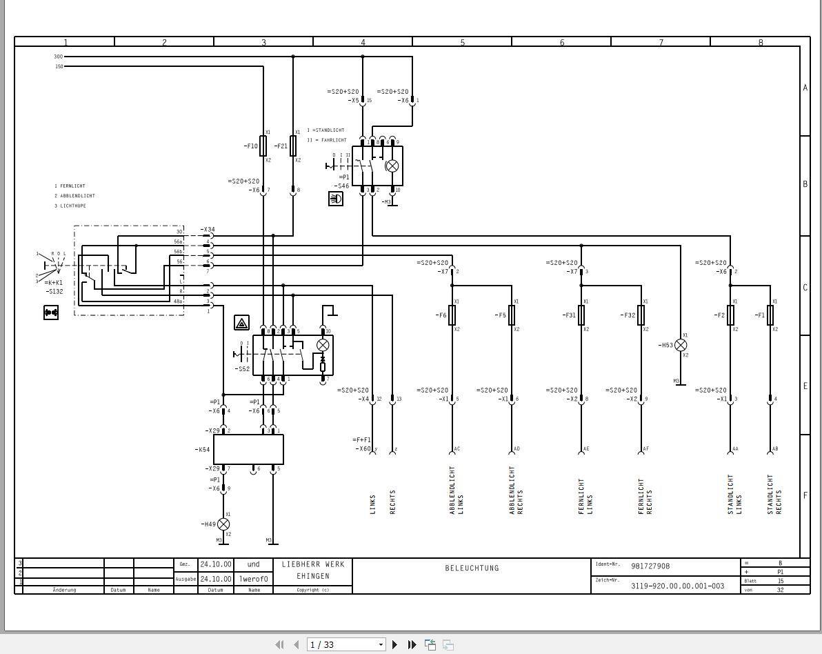
Electric Diagram 981727908_003 DE.pdf (33 Pages)
Electric Diagram 981754808_003 DE.pdf (44 Pages)


