Liebherr LTL 1025 Z20001 Electric Diagrams RU
Data Size: 10.80 MB
File Type: PDF
Language: Russian
Manufacturer: Liebherr
Applicable Machine: Crane
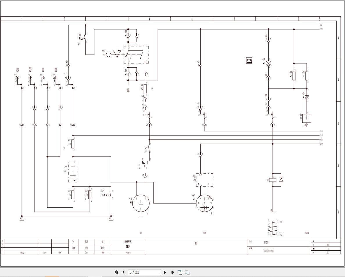
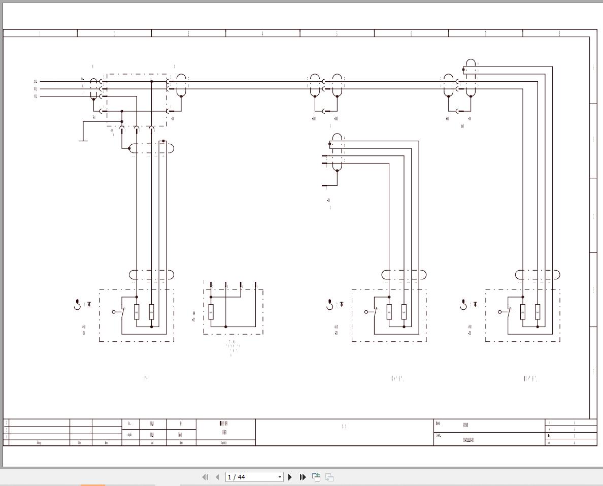
Document: Electric Diagrams
Machine Model: Liebherr LTL 1025 Z20001 Crane
(LTL1025, LTL/1025, LTL_1025, LTL-1025)
List Contents:
Electric Diagram 981727908_999_RU.pdf (33 Pages)
Electric Diagram 981754808_999_RU.pdf (44 Pages)


