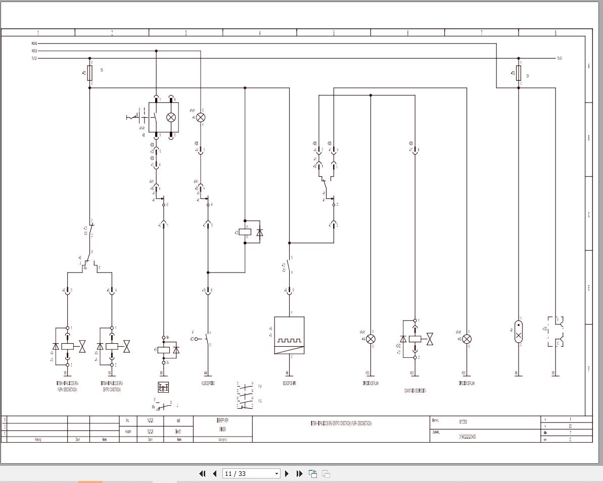
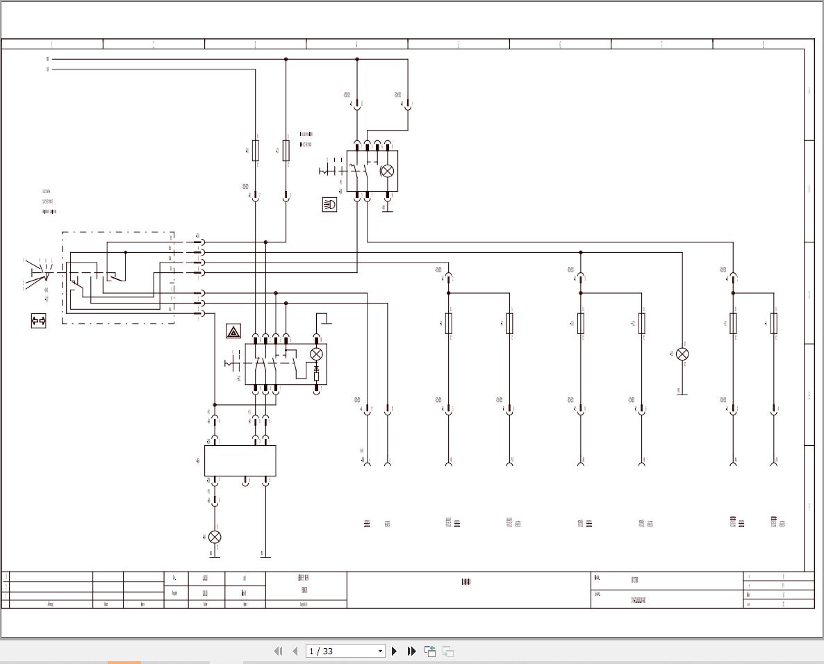
Liebherr LTL 1030 Z20017 Electric Diagrams ES
Data Size: 11.27 MB
File Type: PDF
Language: Spanish
Manufacturer: Liebherr
Applicable Machine: Crane
Document: Electric Diagrams
Machine Model: Liebherr LTL 1030 Z20017 Crane
(LTL1030, LTL/1030, LTL_1030, LTL-1030)
List Contents:
Electric Diagram 981727908_999_ES.pdf (33 Pages)
Electric Diagram 981754808_999_ES.pdf (44 Pages)


