Liebherr LTM 1030-2 Z17996 Electric and Hydraulic Diagrams DE
Data Size: 22.38 MB
File Type: PDF
Language: German
Manufacturer: Liebherr
Applicable Machine: Crane
Document: Electric and Hydraulic Diagrams
Machine Model: Liebherr LTM 1030-2 Z17996 Crane
(LTM1030-2, LTM/1030-2, LTM_1030-2, LTM-1030-2, LTM-1030/2)
List Contents:
Circuit diagram compressed air system 982710408_002 DE.pdf (13 Pages)
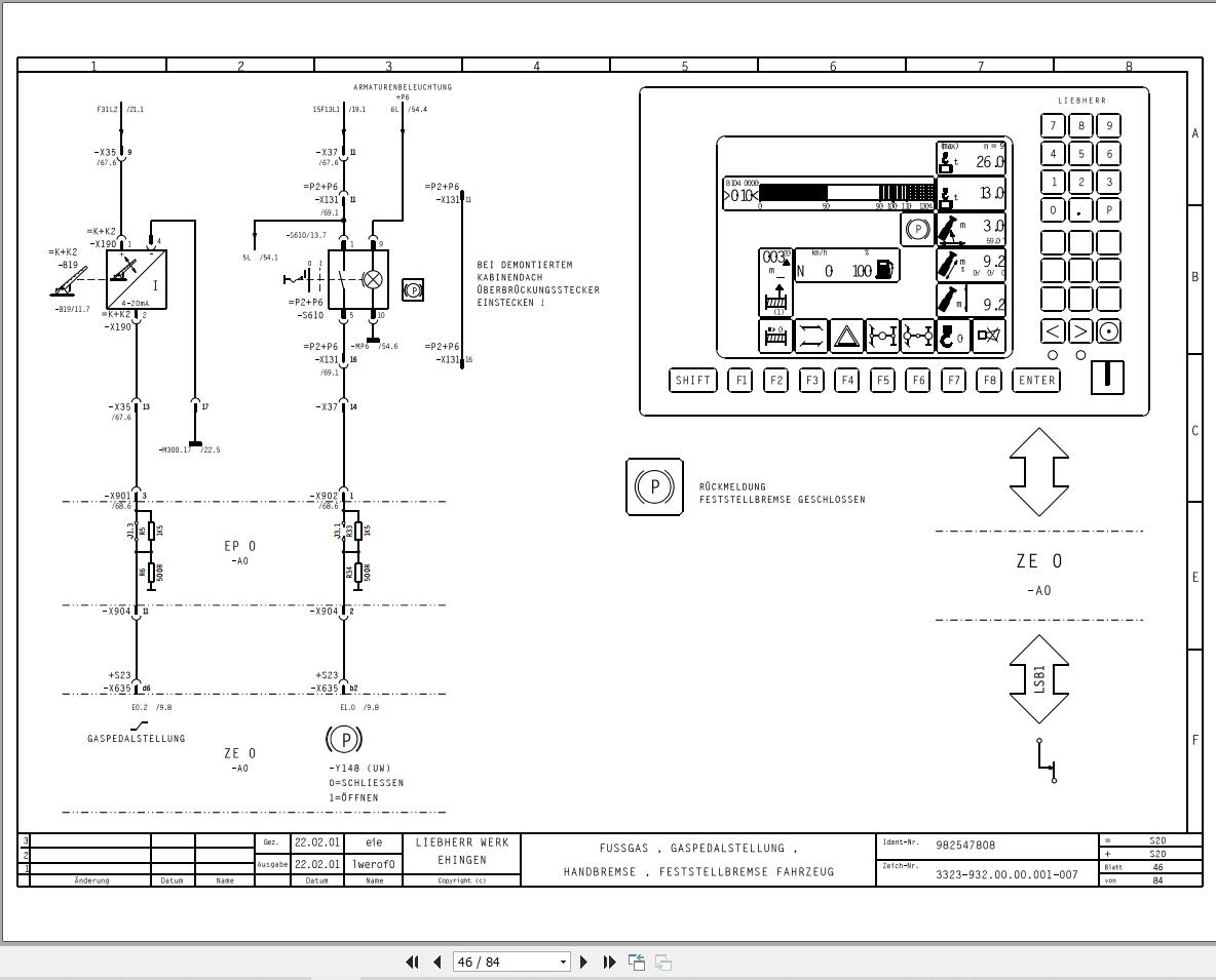
Electric Diagram 982547808_007 DE.pdf (84 Pages)
Electric Diagram 982719608_002 DE.pdf (100 Pages)
Hydraulic Diagram 982592008_003 DE.pdf (7 Pages)
Hydraulics Outriggers 982605008_006 DE.pdf (7 Pages)
Hydraulics Suspension 982606508_005 DE.pdf (7 Pages)
Steering Hydraulics Diagram 982601408_003 DE.pdf (7 Pages)
Wiring Diagram Valve Block Vorm 982683608_001 DE.pdf (1 Page)


