Liebherr LTM 1040 Z15581 Electric and Hydraulic Diagrams DE
Data Size: 24.68 MB
File Type: PDF
Language: German
Manufacturer: Liebherr
Applicable Machine: Crane
Document: Electric and Hydraulic Diagrams
Machine Model: Liebherr LTM 1040 Z15581 Crane
(LTM1040, LTM/1040, LTM_1040, LTM-1040)
List Contents:
Circuit Diagram Compressed Air System 981622708_000 DE.pdf (2 Pages)
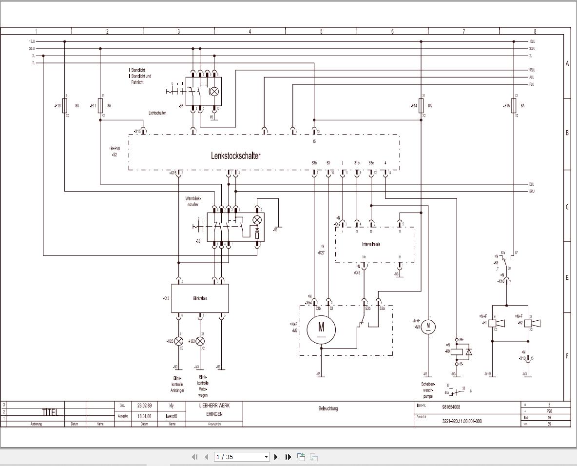
Electric Diagram 981654008_000 DE.pdf (35 Pages)
Electric Diagram 981654008_999_DE.pdf (35 Pages)
Electric Diagram 981659908_000 DE.pdf (43 Pages)
Electric Diagram 981659908_999_DE.pdf (43 Pages)
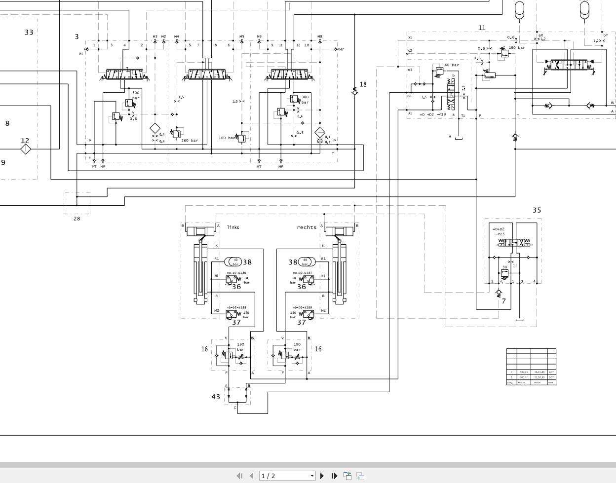
Hydraulic Diagram 981405208_003 DE.pdf (2 Pages)
Hydraulic Diagram 981441608_004 DE.pdf (2 Pages)
Hydraulic Diagram 981526708_001 DE.pdf (2 Pages)
Hydraulic Diagram 981657008_002 DE.pdf (2 Pages)


