Liebherr LTM 1050 Z22606 Electric and Hydraulic Diagrams DE
Data Size: 21.72 MB
File Type: PDF
Language: German
Manufacturer: Liebherr
Applicable Machine: Crane
Document: Electric and Hydraulic Diagrams
Machine Model: Liebherr LTM 1050 Z22606 Crane
(LTM1050, LTM/1050, LTM_1050, LTM-1050)
List Contents:
Circuit diagram compressed air system 981519608_001 DE.pdf (1 Page)
Connection Plan 980888708_000 DE.pdf (7 Pages)
Connection Plan 981330408_000 DE.pdf (5 Pages)
Construction Plan 981309208_002 DE.pdf (1 Page)
Device Construction Switch Cabinet 981354508_001 DE.pdf (1 Page)
Electric Diagram 981518708_000 DE.pdf (32 Pages)
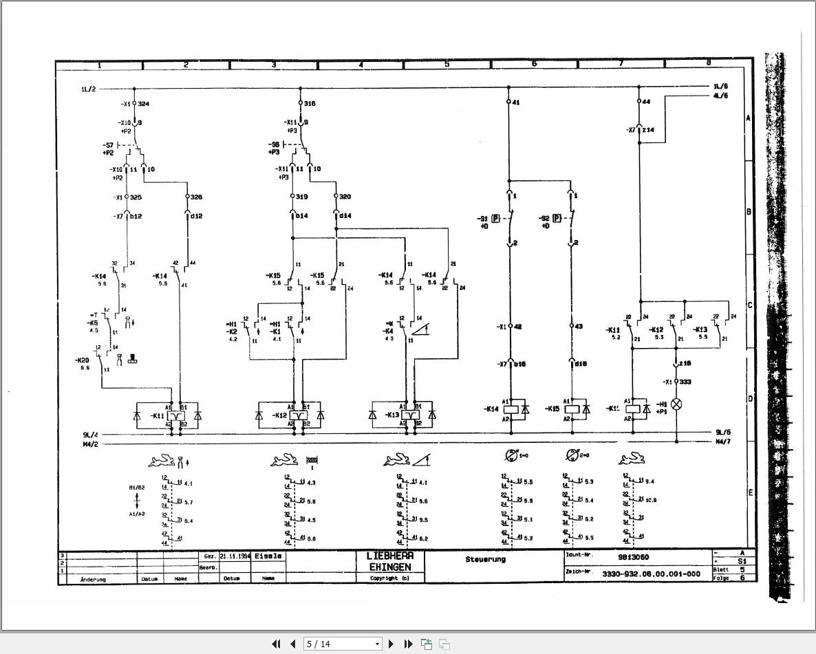
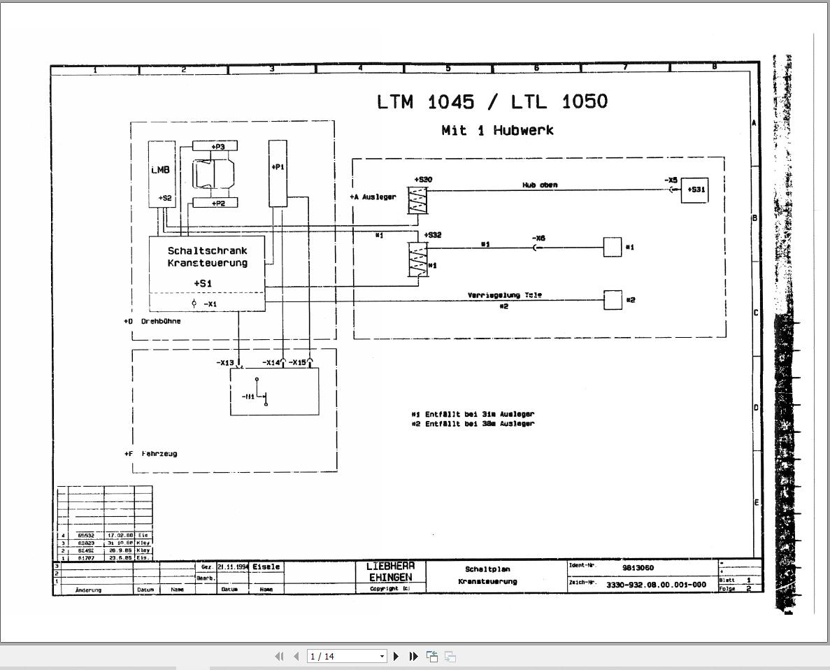
Electric Diagram Crane Control 981306008_000 DE.pdf (14 Pages)
Hydraulic Diagram 981408108_003 DE.pdf (1 Page)
Hydraulic Diagram 981446208_001 DE.pdf (2 Pages)
Mounting plan undercarriage lights 981635008_000 DE.pdf (1 Page)
Wiring Plan 981306108_000 DE.pdf (7 Pages)
Wiring Plan 981518908_001 DE.pdf (24 Pages)


