Liebherr LTM 1055-1 Z55662 Electric and Hydraulic Diagrams RU
Data Size: 60.70 MB
File Type: PDF
Language: Russian
Manufacturer: Liebherr
Applicable Machine: Crane
Document: Electric and Hydraulic Diagrams
Machine Model: Liebherr LTM 1055-1 Z55662 Crane
(LTM1055-1, LTM/1055-1, LTM_1055-1, LTM-1055-1, LTM-1055/1)
List Contents:
Bulkhead Plate Complete 983870108_999_RU.pdf (3 Pages)
Control Hydraulics Compressed-Air System 984294608_999_RU.pdf (12 Pages)
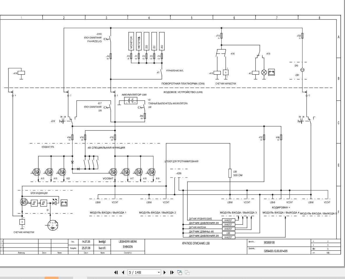
Electric Diagram 983806108_999_RU.pdf (148 Pages)
Electric Diagram Slewing Platform 983746208_999_RU.pdf (141 Pages)
Hydraulics Outriggers Pipework 983842808_999_RU.pdf (6 Pages)
Hydraulics Superstructure General Layout 983163308_999_RU.pdf (10 Pages)
Pneumatic Cabin 983860108_999_RU.pdf (3 Pages)
Pneumatic Trailer Coupling 981152308_999_RU.pdf (4 Pages)
Pneumatic Trailer Coupling 986876908_999_RU.pdf (4 Pages)
Steering Hydraulics Pipework 983842608_999_RU.pdf (5 Pages)
Suspension Pipework 984246808_999_RU.pdf (4 Pages)


