Liebherr LTM 1060-2 Z57701 Electric and Hydraulic Diagrams FR
Data Size: 54.20 MB
File Type: PDF
Language: French
Manufacturer: Liebherr
Applicable Machine: Crane
Document: Electric and Hydraulic Diagrams
Machine Model: Liebherr LTM 1060-2 Z57701 Crane
(LTM1060-2, LTM/1060-2, LTM_1060-2, LTM-1060-2, LTM-1060/2)
List Contents:
Bulkhead Plate Complete 983870108_999_FR.pdf (3 Pages)
Control Hydraulics Compressed-Air System 984034708_999_FR.pdf (13 Pages)
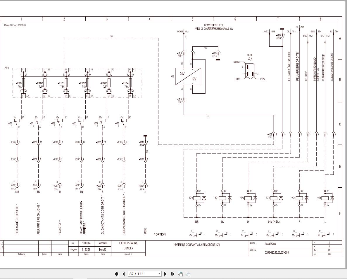
Electric Diagram 983425208_999_FR.pdf (144 Pages)
Electric Diagram 983573208_999_FR.pdf (138 Pages)
Hydraulic Suspension Pipework 983840608_999_FR.pdf (6 Pages)
Hydraulics Outriggers Pipework 983842008_999_FR.pdf (4 Pages)
Hydraulics Superstructure General Layout With Emergency Lowering 983188508_999_FR.pdf (10 Pages)
Steering Hydraulic Pipework 983841708_999_FR.pdf (3 Pages)
Wiring Diagram Steering Block Vorm 982920608_999_FR.pdf (2 Pages)


