Liebherr LTM 1070-1 Z22713 Electric and Hydraulic Diagrams DE
Data Size: 29.44 MB
File Type: PDF
Language: German
Manufacturer: Liebherr
Applicable Machine: Crane
Document: Electric and Hydraulic Diagrams
Machine Model: Liebherr LTM 1070-1 Z22713 Crane
(LTM1070-1, LTM/1070-1, LTM_1070-1, LTM-1070-1, LTM-1070/1)
List Contents:
Electric Diagram 982194508_007 DE.pdf (67 Pages)
Electric Diagram 982216608_005 DE.pdf (115 Pages)
Hydraulic Diagram 982254408_001 DE.pdf (2 Pages)
Hydraulic Diagram 982614208_000 DE.pdf (10 Pages)
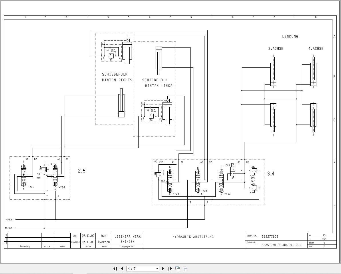
Hydraulics Outriggers 982277908_001 DE.pdf (7 Pages)
Hydraulics Suspension 982278008_001 DE.pdf (7 Pages)
Pneumatic Trailer Coupling 981969908_002 DE.pdf (1 Page)
Pneumatic Trailer CouplingPre-Assembled 982123708_001 DE.pdf (1 Page)
Steering Hydraulics Diagram 982254708_005 DE.pdf (7 Pages)
STRANGPLAN W107 982290908_002 DE.pdf (2 Pages)
Wiring Plan 982216708_001 DE.pdf (11 Pages)


