Liebherr LTM 1070-4.1 Z59026 Electric and Hydraulic Diagrams FR
Data Size: 59.58 MB
File Type: PDF
Language: French
Manufacturer: Liebherr
Applicable Machine: Crane
Document: Electric and Hydraulic Diagrams
Machine Model: Liebherr LTM 1070-4.1 Z59026 Crane
(LTM1070-4.1, LTM/1070-4.1, LTM_1070-4.1, LTM-1070-4.1, LTM-1070/4.1)
List Contents:
Bulkhead Plate Complete 983870108_999_FR.pdf (3 Pages)
Control Hydraulics Compressed-Air System 984173408_999_FR.pdf (12 Pages)
Electric Diagram 984172208_999_FR.pdf (158 Pages)
Electric Diagram 984253408_999_FR.pdf (144 Pages)
Hydraulics Outriggers Pipework 983842008_999_FR.pdf (4 Pages)
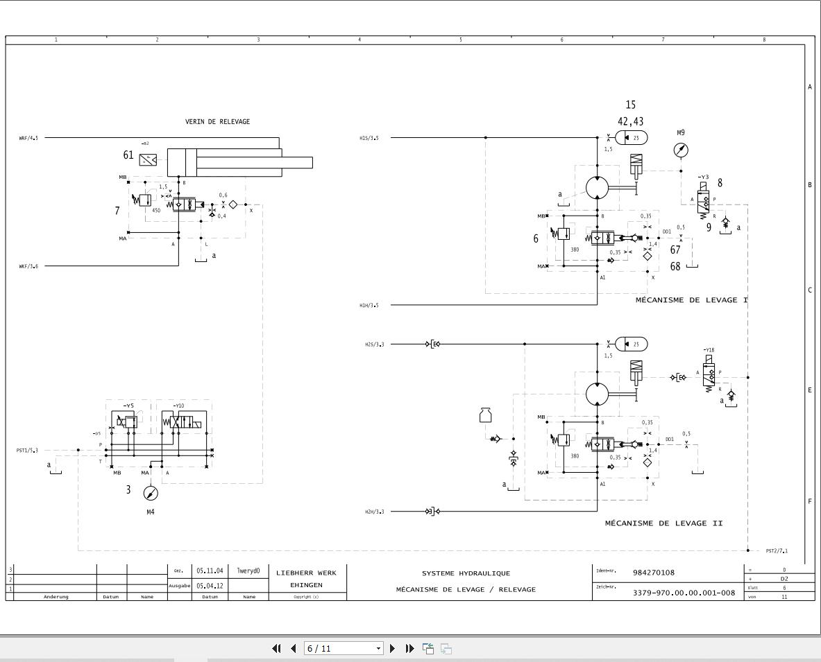
Hydraulics Superstructure General Layout 984270108_999_FR.pdf (11 Pages)
Hydraulics Superstructure Pipework 984168508_999_FR.pdf (4 Pages)
Pneumatic Cabin 984159908_999_FR.pdf (3 Pages)
Steering Hydraulics Pipework 983841708_999_FR.pdf (3 Pages)
Wiring Diagram Steering Block Vorm 982920608_999_FR.pdf (2 Pages)


