Liebherr LTM 1090-1 Z22814 Electric and Hydraulic Diagrams DE
Data Size: 33.69 MB
File Type: PDF
Language: German
Manufacturer: Liebherr
Applicable Machine: Crane
Document: Electric and Hydraulic Diagrams
Machine Model: Liebherr LTM 1090-1 Z22814 Crane
(LTM1090-1, LTM/1090-1, LTM_1090-1, LTM-1090-1, LTM-1090/1)
List Contents:
Compressed-Air System Diagram 982354208_001 DE.pdf (2 Pages)
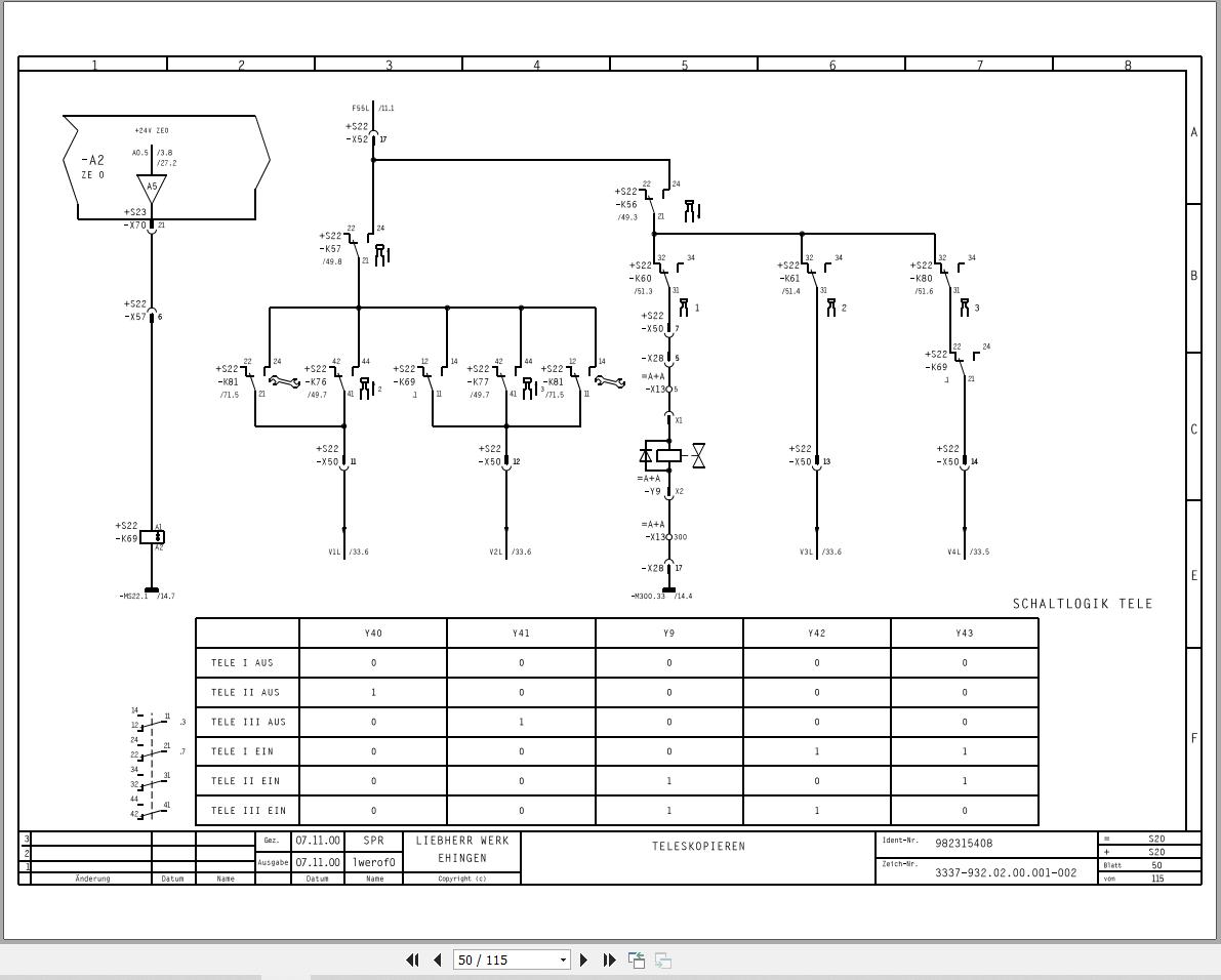
Electric Diagram 982315408_002 DE.pdf (115 Pages)
Electric Diagram 982456008_000 DE.pdf (63 Pages)
Hydraulic Diagram 981993808_001 DE.pdf (2 Pages)
Hydraulic Diagram 982114508_003 DE.pdf (9 Pages)
Hydraulic Diagram 982179708_000 DE.pdf (2 Pages)
Hydraulics Outriggers 982136308_001 DE.pdf (7 Pages)
Wiring Plan 982316508_000 DE.pdf (11 Pages)


