Liebherr LTM 1090-3 Z63252 Electric and Hydraulic Diagrams EN
Data Size: 57.73 MB
File Type: PDF
Language: English
Manufacturer: Liebherr
Applicable Machine: Crane
Document: Electric and Hydraulic Diagrams
Machine Model: Liebherr LTM 1090-3 Z63252 Crane
(LTM1090-3, LTM/1090-3, LTM_1090-3, LTM-1090-3, LTM-1090/3)
List Contents:
Assembly Unit Tubing Diagram 983314408_999_EN.pdf (3 Pages)
Bulkhead Plate Complete Tubing Diagram 983314508_999_EN.pdf (3 Pages)
Compressed-Air System OW Pipework 983305408_999_EN.pdf (5 Pages)
Control Hydraulics Compressed-Air System 983432808_999_EN.pdf (19 Pages)
Electric Diagram 983216608_999_EN.pdf (145 Pages)
Electric Diagram 983386008_999_EN.pdf (162 Pages)
Hydraulic Suspension Pipework 983390508_999_EN.pdf (6 Pages)
Hydraulics Outriggers Pipework 983384708_999_EN.pdf (6 Pages)
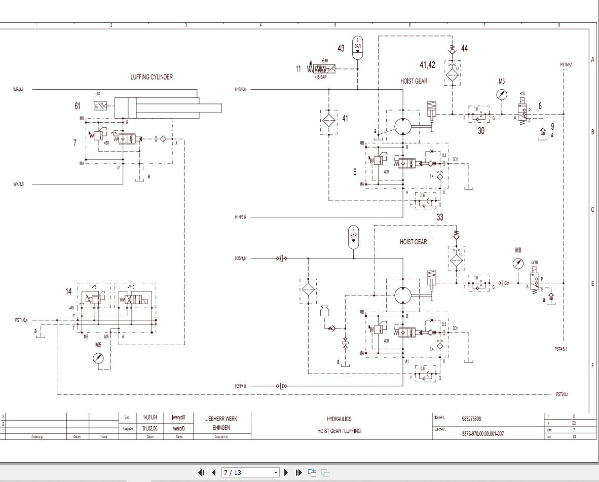
Hydraulics Superstructure General Layout 983275808_999_EN.pdf (13 Pages)
Pneumatic Cabin Tubing Diagram 983311108_999_EN.pdf (4 Pages)
Steering Hydraulic Pipework 983432608_999_EN.pdf (7 Pages)


