Liebherr LTM 1100-2 Z65068 Electric and Hydraulic Diagrams ES
Data Size: 60.52 MB
File Type: PDF
Language: Spanish
Manufacturer: Liebherr
Applicable Machine: Crane
Document: Electric and Hydraulic Diagrams
Machine Model: Liebherr LTM 1100-2 Z65068 Crane
(LTM1100-2, LTM/1100-2, LTM_1100-2, LTM-1100-2, LTM-1100/2)
List Contents:
Compressed-Air System OW Pipework 982973108_999_ES.pdf (2 Pages)
Control Hydraulics Compressed-Air System 981161808_999_ES.pdf (17 Pages)
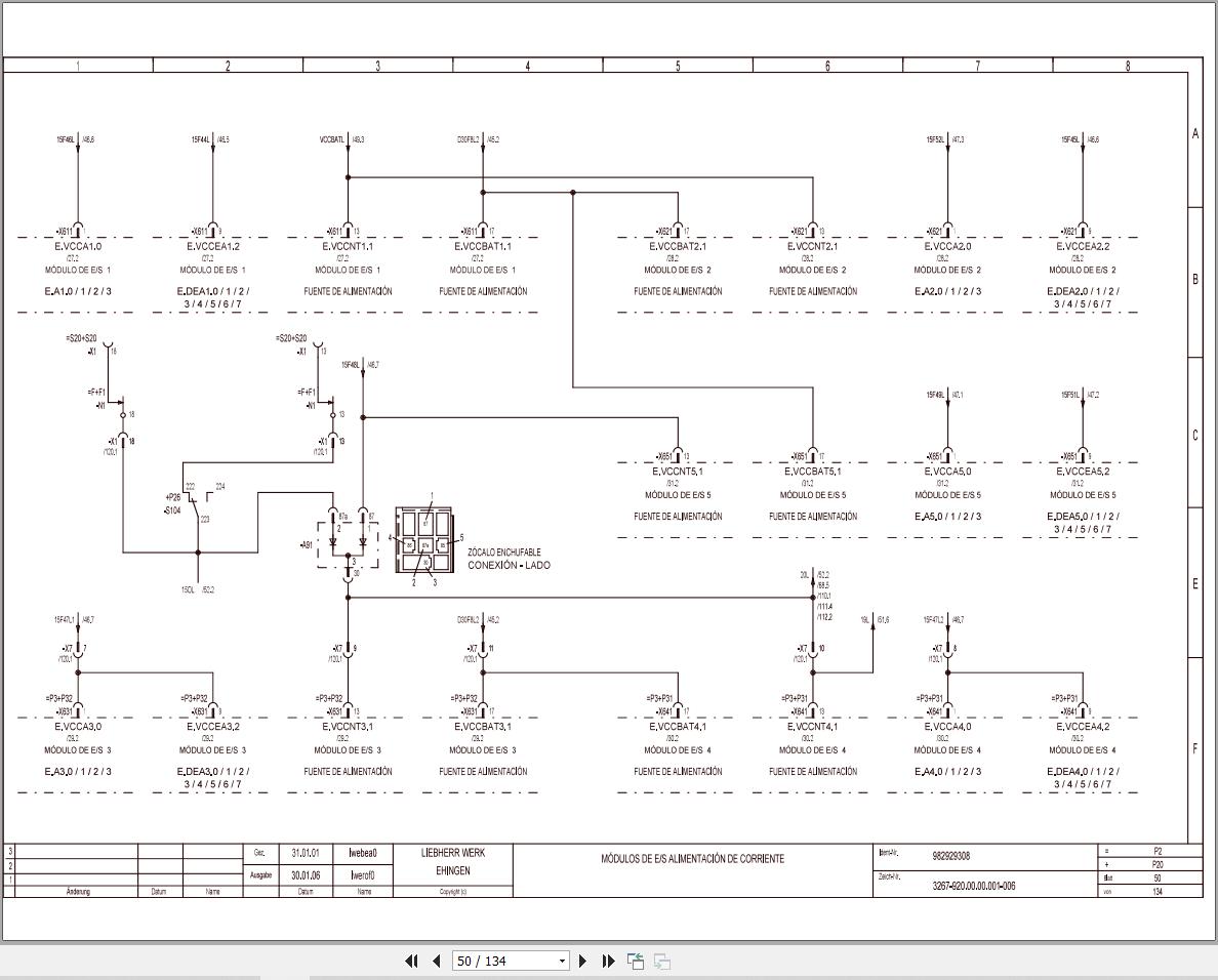
Electric Diagram 982929308_999_ES.pdf (134 Pages)
Electric Diagram 982960508_999_ES.pdf (153 Pages)
Hydraulics Outriggers Pipework 982960308_999_ES.pdf (5 Pages)
Hydraulics Superstructure General Layout 982066308_999_ES.pdf (10 Pages)
Hydraulics Suspension Pipework 982969608_999_ES.pdf (8 Pages)
Pneumatic Trailer Coupling 986876908_999_ES.pdf (4 Pages)
Steering Hydraulics Pipework 982955308_999_ES.pdf (5 Pages)
Wiring Diagram Pneumatic Trailer Coupling Cert Kba 982973508_999_ES.pdf (2 Pages)


