Liebherr LTM 1100-4.1 Z63345 Electric and Hydraulic Diagrams EN
Data Size: 58.04 MB
File Type: PDF
Language: English
Manufacturer: Liebherr
Applicable Machine: Crane
Document: Electric and Hydraulic Diagrams
Machine Model: Liebherr LTM 1100-4.1 Z63345 Crane
(LTM1100-4.1, LTM/1100-4.1, LTM_1100-4.1, LTM-1100-4.1, LTM-1100/4.1)
List Contents:
Bulkhead Plate Complete 983814108_999_EN.pdf (3 Pages)
Compressed-Air System OW Pipework 983305408_999_EN.pdf (5 Pages)
Control Hydraulics Compressed-Air System With Emergency Operation 984207208_999_EN.pdf (18 Pages)
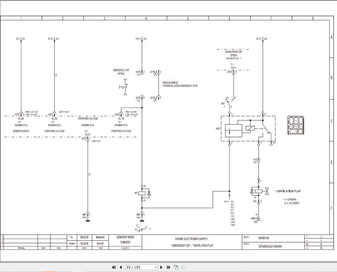
Electric Diagram 983883108_999_EN.pdf (153 Pages)
Electric Diagram 984061308_999_EN.pdf (165 Pages)
Hydraulic Diagram 984241608_999_EN.pdf (7 Pages)
Hydraulics Outriggers Pipework 983897608_999_EN.pdf (6 Pages)
Hydraulics Superstructure General Layout 983864608_999_EN.pdf (14 Pages)
Hydraulics Suspension Pipework 984205808_999_EN.pdf (4 Pages)
Pneumatic Cabin Tubing Diagram 983311108_999_EN.pdf (4 Pages)
Steering Hydraulic Pipework 984221908_999_EN.pdf (5 Pages)


