Liebherr LTM 1100-5.2 Z65625 Electric and Hydraulic Diagrams FR
Data Size: 74.12 MB
File Type: PDF
Language: French
Manufacturer: Liebherr
Applicable Machine: Crane
Document: Electric and Hydraulic Diagrams
Machine Model: Liebherr LTM 1100-5.2 Z65625 Crane
(LTM1100-5.2, LTM/1100-5.2, LTM_1100-5.2, LTM-1100-5.2, LTM-1100/5.2)
List Contents:
1100-5.2 Suspension Tubing Diagram 984792708_999_FR.pdf (4 Pages)
Compressed-Air System OW Pipework 984584708_999_FR.pdf (3 Pages)
Electric Diagram 984796308_999_FR.pdf (155 Pages)
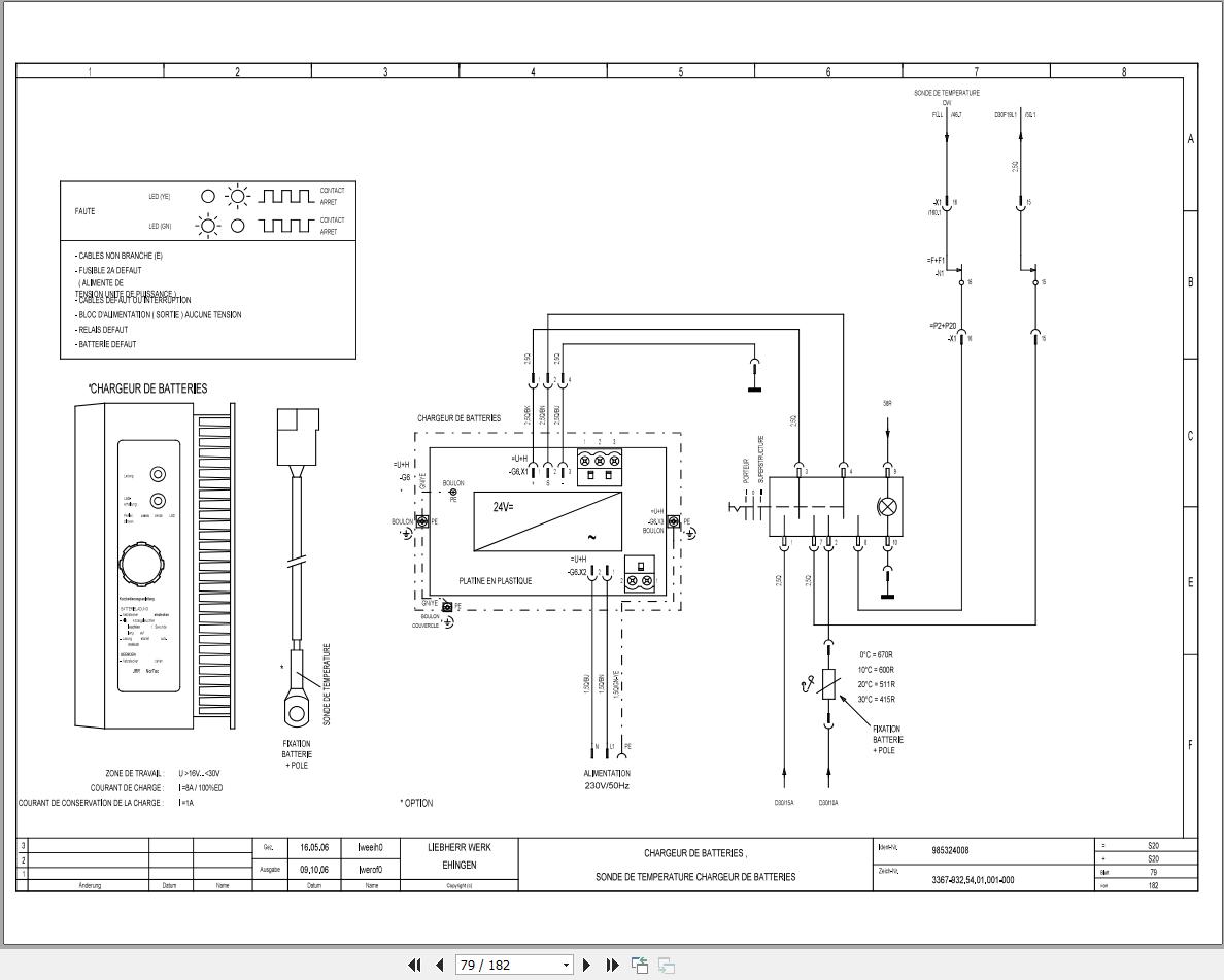
Electric Diagram 985324008_999_FR.pdf (182 Pages)
Hydraulics Superstructure LTM 1100-5.2 General Layout 985291608_999_FR.pdf (12 Pages)
LTM 1100-5.2 Control Hydraulics Compressed-Air System 984792908_999_FR.pdf (16 Pages)
LTM 1100-5.2 Hydraulics Outriggers Tubing Diagram 984792808_999_FR.pdf (4 Pages)
Pneumatic Operators Cab 983726408_999_FR.pdf (3 Pages)
Pre-Assembley Bulkhead Plate 983990908_999_FR.pdf (3 Pages)


