Liebherr LTM 1120 Z13864 Electric and Hydraulic Diagrams DE
Data Size: 27.91 MB
File Type: PDF
Language: German
Manufacturer: Liebherr
Applicable Machine: Crane
Document: Electric and Hydraulic Diagrams
Machine Model: Liebherr LTM 1120 Z13864 Crane
(LTM1120, LTM/1120, LTM_1120, LTM-1120)
List Contents:
Circuit diagram compressed air system 981575408_003 DE.pdf (2 Pages)
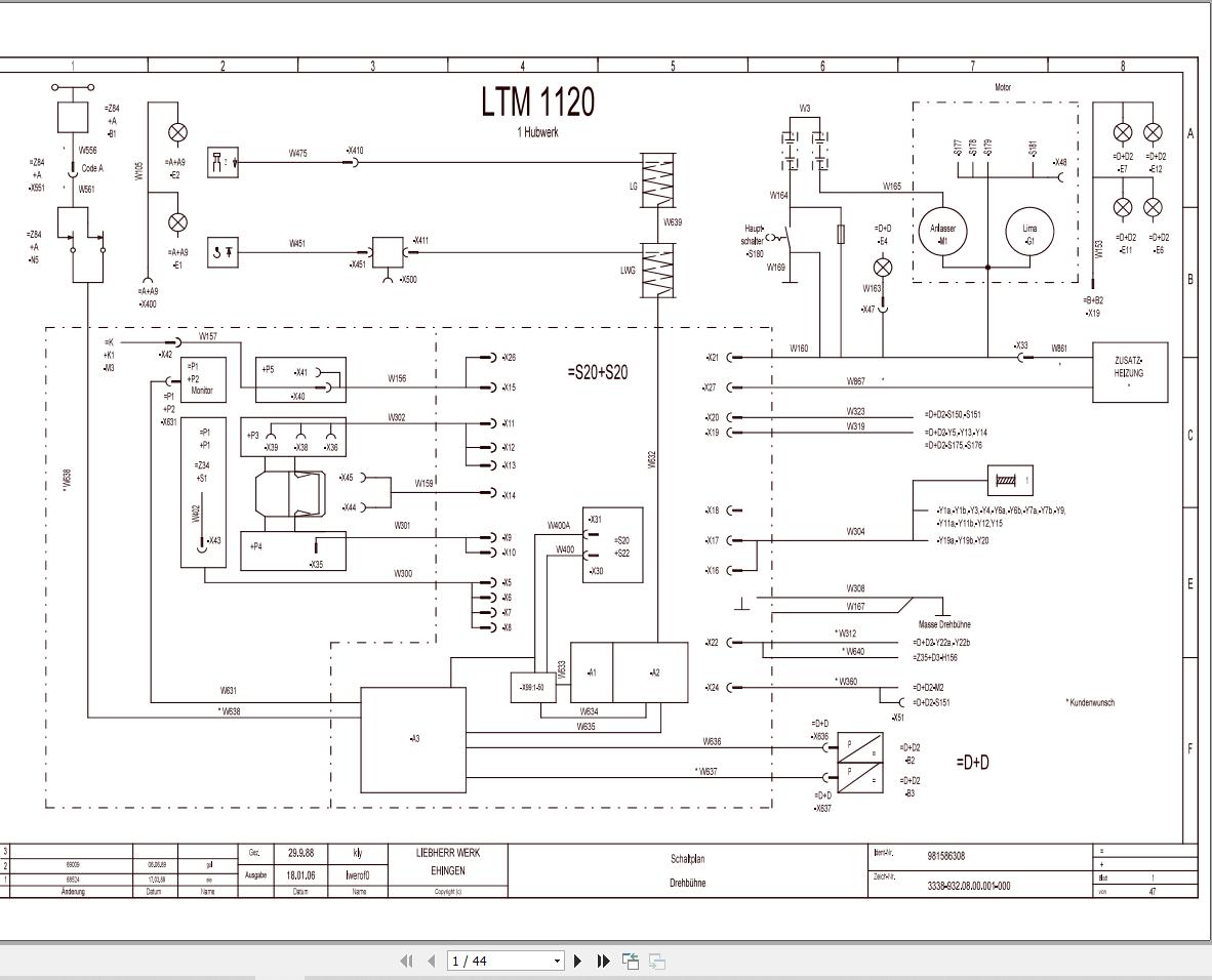
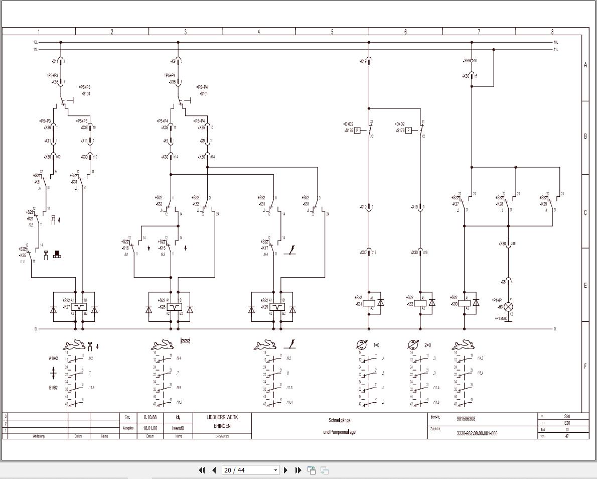
Electric Diagram 981586308_000 DE.pdf (47 Pages)
Electric Diagram 981586308_999_DE.pdf (44 Pages)
Electric Diagram 981602408_000 DE.pdf (26 Pages)
Electric Diagram 981602408_999_DE.pdf (26 Pages)
Hydraulic Diagram 981530208_000 DE.pdf (2 Pages)
Hydraulic Diagram 981548608_002 DE.pdf (3 Pages)
Hydraulic Diagram 981585308_001 DE.pdf (2 Pages)
Hydraulic Diagram 981605408_001 DE.pdf (3 Pages)
Mounting Plan Undercarriage Lights 981422408_000 DE.pdf (1 Page)
Wiring Plan 981586508_000 DE.pdf (6 Pages)


