Liebherr LTM 1150-5.1 Z67197 Electric and Hydraulic Diagrams DE
Data Size: 49.23 MB
File Type: PDF
Language: German
Manufacturer: Liebherr
Applicable Machine: Crane
Document: Electric and Hydraulic Diagrams
Machine Model: Liebherr LTM 1150-5.1 Z67197 Crane
(LTM1150-5.1, LTM/1150-5.1, LTM_1150-5.1, LTM-1150-5.1, LTM-1150/5.1)
List Contents:
Compressed Air System LTM 1150-1 982942008_002 DE.pdf (9 Pages)
Compressed-Air System Superstructure 982324608_004 DE.pdf (4 Pages)
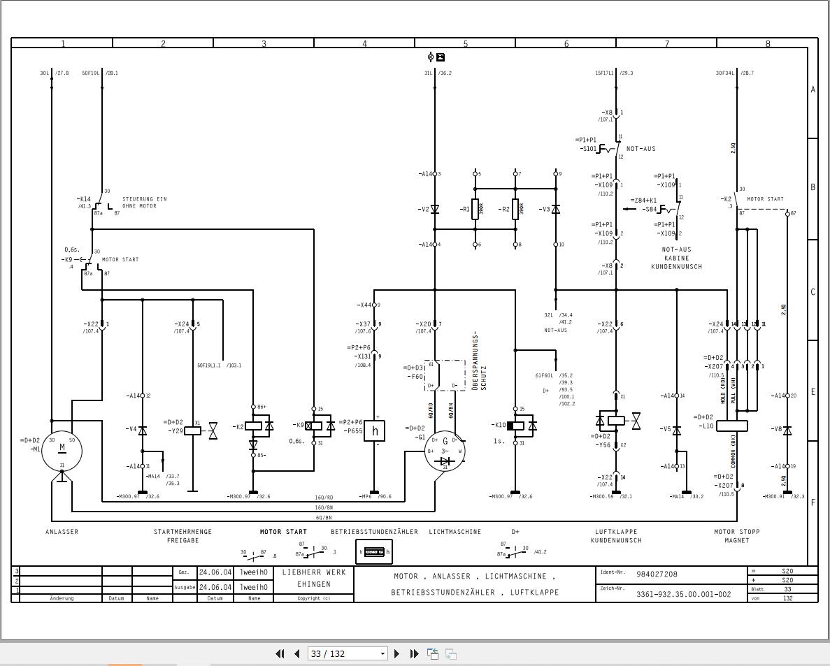
Electric Diagram 984027208_002 DE.pdf (132 Pages)
Hydraulic Axle Suspension 983965308_000 DE.pdf (7 Pages)
Hydraulic Diagram 984255108_001 DE.pdf (12 Pages)
Hydraulics Outriggers 980141108_002 DE.pdf (9 Pages)
Steering Hydraulics 982477308_002 DE.pdf (5 Pages)
Wiring Diagram 983187008_002 DE.pdf (94 Pages)
Wiring List S22 984032708_000 DE.pdf (12 Pages)


