Liebherr LTM 1160-5.1 Z67216 Electric and Hydraulic Diagrams DE
Data Size: 78.12 MB
File Type: PDF
Language: German
Manufacturer: Liebherr
Applicable Machine: Crane
Document: Electric and Hydraulic Diagrams
Machine Model: Liebherr LTM 1160-5.1 Z67216 Crane
(LTM1160-5.1, LTM/1160-5.1, LTM_1160-5.1, LTM-1160-5.1, LTM-1160/5.1)
List Contents:
Block Steering In Front 984357008_002 DE.pdf (3 Pages)
Circuit Diagram Control FMEA 984832508_000 DE.pdf (5 Pages)
Compressed-Air System Superstructure 984798308_002 DE.pdf (4 Pages)
Control Hydraulics Compressed-Air System 984797608_001 DE.pdf (16 Pages)
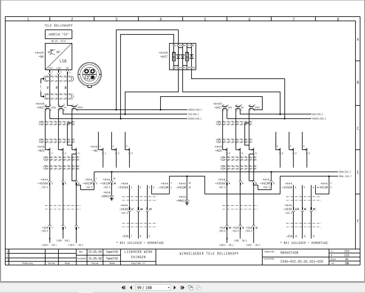
Electric Diagram 984607408_000 DE.pdf (188 Pages)
Electric Diagram 984651008_005 DE.pdf (157 Pages)
Hydraulics Hoist Gear II Pipework 984758208_002 DE.pdf (3 Pages)
Hydraulics Outriggers Tubing Diagram 984798208_001 DE.pdf (4 Pages)
Hydraulics Superstructure General Layout 984939208_005 DE.pdf (13 Pages)
Hydraulics Suspension Tubing Diagram 984798008_003 DE.pdf (4 Pages)
Pneumatic Driver Cab Tubing Diagram 983517508_009 DE.pdf (4 Pages)
Pneumatic Operators Cab 983858108_001 DE.pdf (3 Pages)
Pre-Assembley Bulkhead Plate 983517908_005 DE.pdf (3 Pages)
Steering Plate I Pre-Assembly 984968808_001 DE.pdf (3 Pages)
Steering Plate II Pre-Assembly 984698208_002 DE.pdf (3 Pages)
Wiring List S22 984608108_003 DE.pdf (9 Pages)


