Liebherr LTM 1200-5.1 Z69507 Electric and Hydraulic Diagrams RU
Data Size: 80.15 MB
File Type: PDF
Language: Russian
Manufacturer: Liebherr
Applicable Machine: Crane
Document: Electric and Hydraulic Diagrams
Machine Model: Liebherr LTM 1200-5.1 Z69507 Crane
(LTM1200-5.1, LTM/1200-5.1, LTM_1200-5.1, LTM-1200-5.1, LTM-1200/5.1)
List Contents:
Compressed-Air System Superstructure Pipework 984499208_999_RU.pdf (4 Pages)
Control Hydraulics Compressed-Air System 988890008_999_RU.pdf (14 Pages)
Electric Diagram 984509708_999_RU.pdf (187 Pages)
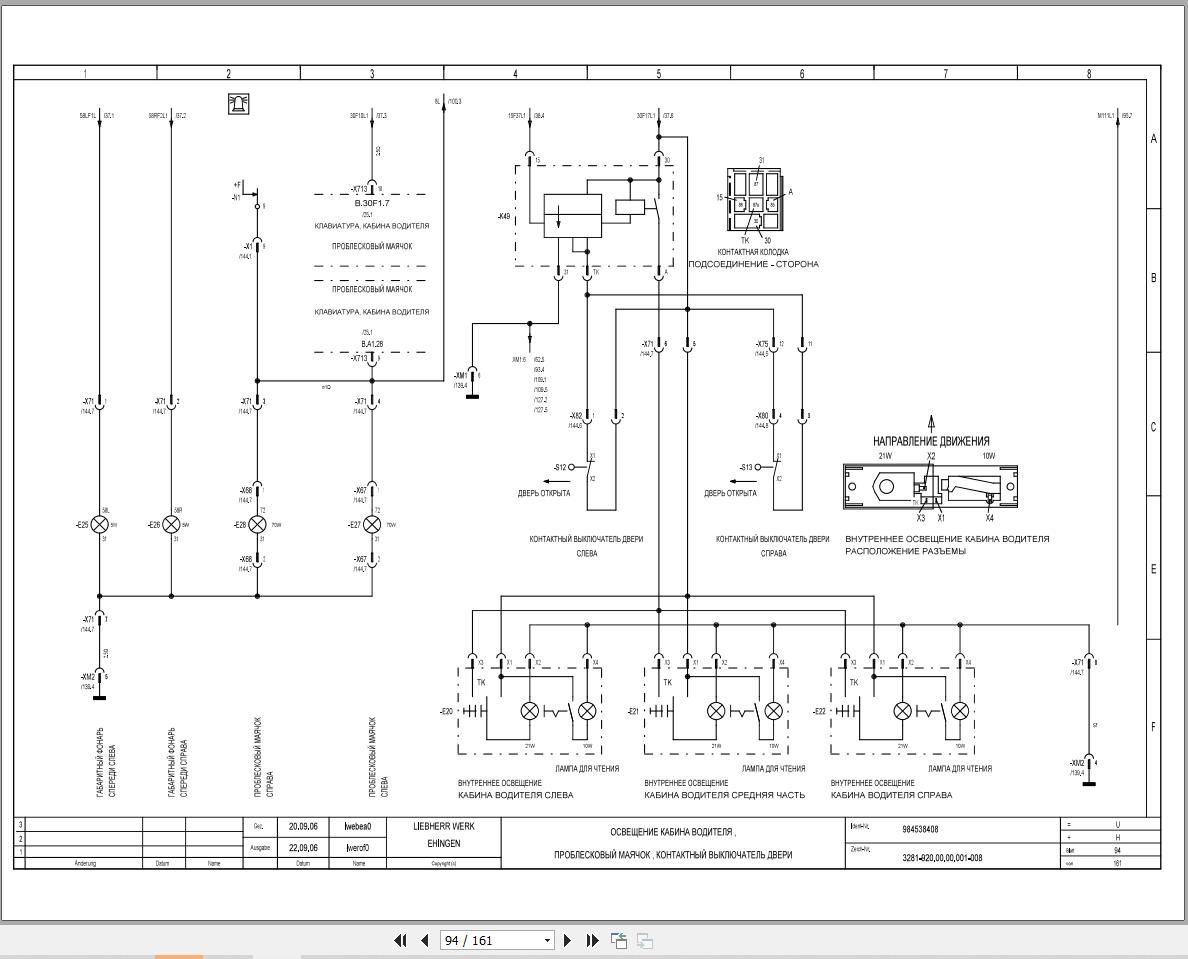
Electric Diagram 984538408_999_RU.pdf (161 Pages)
Hydraulics Hoist Gear II Pipework 984488908_999_RU.pdf (3 Pages)
Hydraulics Outriggers Pipework 984526408_999_RU.pdf (4 Pages)
Hydraulics Superstructure General Layout 984563408_999_RU.pdf (14 Pages)
Piping plan steering 98006598_999_RU.pdf (15 Pages)
Pneumatic Driver Cab Tubing Diagram 983517508_999_RU.pdf (4 Pages)
Pneumatic Operators Cab 983858108_999_RU.pdf (3 Pages)
Pre-Assembley Bulkhead Plate 983517908_999_RU.pdf (3 Pages)
Suspension Tubing Diagram 984527708_999_RU.pdf (4 Pages)
Tubing Diagram Compressed-Air System 988890108_999_RU.pdf (4 Pages)


