Liebherr LTM 1200 Z16124 Electric and Hydraulic Diagrams DE
Data Size: 74.50 MB
File Type: PDF
Language: German
Manufacturer: Liebherr
Applicable Machine: Crane
Document: Electric and Hydraulic Diagrams
Machine Model: Liebherr LTM 1200 Z16124 Crane
(LTM1200, LTM/1200, LTM_1200, LTM-1200)
List Contents:
Circuit Diagram Compressed Air System 981575008_004 DE.pdf (2 Pages)
Circuit Diagram Compressed Air System 981607508_002 DE.pdf (2 Pages)
Circuit Diagram Hydraulics 981437508_005 DE.pdf (4 Pages)
Circuit Diagram Hydraulics 981646408_000 DE.pdf (85 Pages)
Circuit Diagram Hydraulics 981646408_999 DE.pdf (85 Pages)
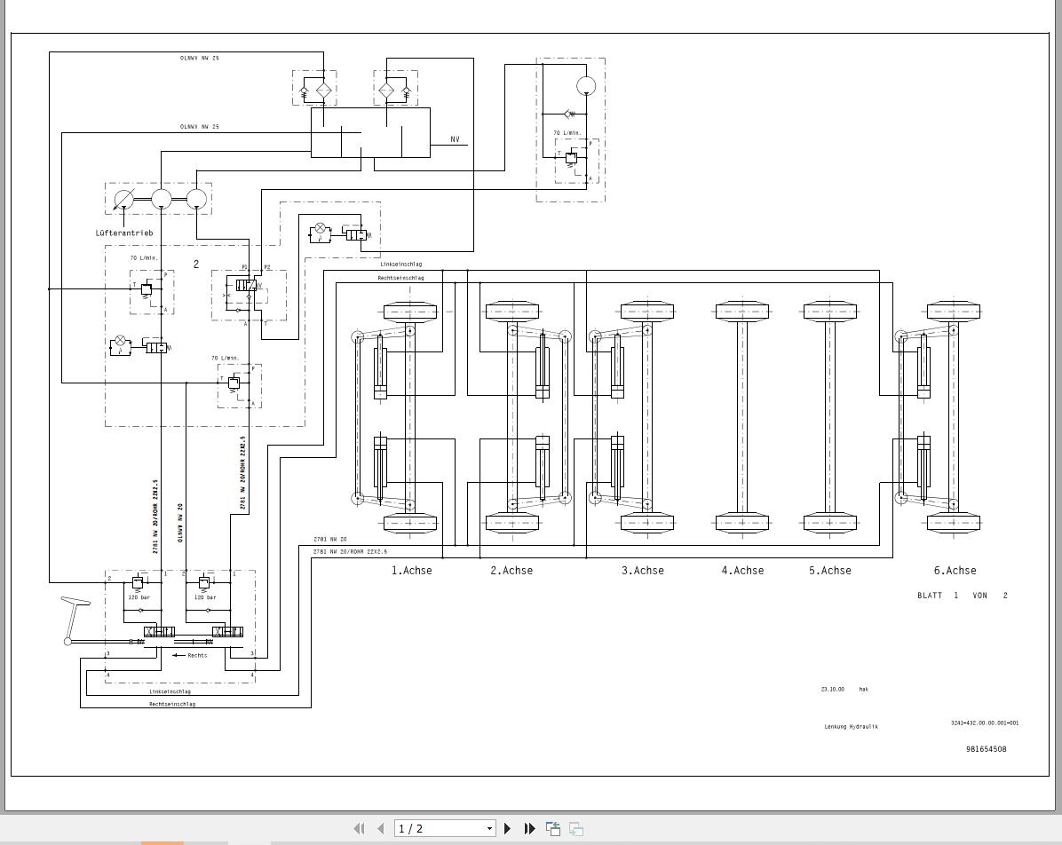
Circuit Diagram Hydraulics 981654508_001 DE.pdf (2 Pages)
Circuit Diagram Hydraulics 981654808_001 DE.pdf (2 Pages)
Circuit Diagram Hydraulics 981655408_001 DE.pdf (2 Pages)
Circuit Diagram Hydraulics 981670908_000 DE.pdf (7 Pages)
Connection Plan 981576108_000 DE.pdf (4 Pages)
Digital control 981556208_002 DE.pdf (43 Pages)
Digital control 981556208_999_DE.pdf (43 Pages)
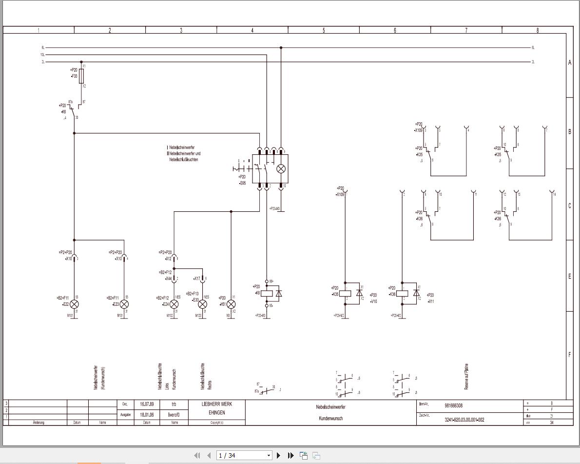
Electric Diagram 981666308_002 DE.pdf (34 Pages)
Electric Diagram 981666308_999_DE.pdf (34 Pages)
Equipment Plan 981576008_000 DE.pdf (4 Pages)
Overview Plan 981778808_001 DE.pdf (41 Pages)
STRANGPLAN W861 981629008_000 DE.pdf (3 Pages)
STRANGPLAN W862 981661008_000 DE.pdf (3 Pages)
Wiring Plan LTM 1200 981575908_002 DE.pdf (54 Pages)


