Liebherr LTM 1225 Z70006 Electric and Hydraulic Diagrams FR
Data Size: 46.21 MB
File Type: PDF
Language: French
Manufacturer: Liebherr
Applicable Machine: Crane
Document: Electric and Hydraulic Diagrams
Machine Model: Liebherr LTM 1225 Z70006 Crane
(LTM1225, LTM/1225, LTM_1225, LTM-1225)
List Contents:
Compressed-Air System 982447208_999_FR.pdf (13 Pages)
Electric Diagram 982537808_999_FR.pdf (80 Pages)
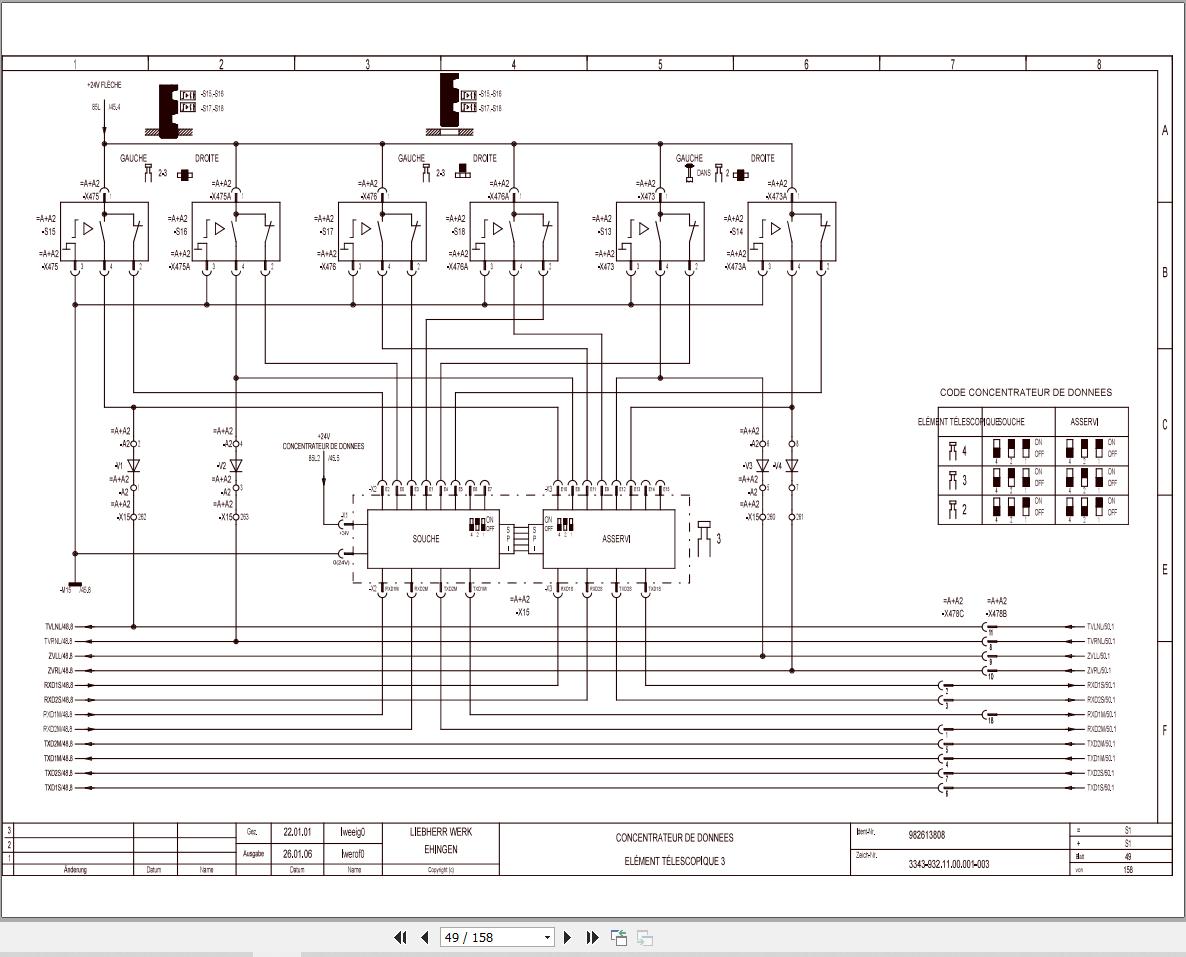
Electric Diagram 982613808_999_FR.pdf (158 Pages)
Hydraulic Diagram 982444008_999_FR.pdf (10 Pages)
Hydraulics Outriggers 982118808_999_FR.pdf (7 Pages)
Steering Hydraulics 982457008_999_FR.pdf (7 Pages)


