Liebherr LTM 1300-1 Z71142 Electric and Hydraulic Diagrams DE
Data Size: 74.95 MB
File Type: PDF
Language: German
Manufacturer: Liebherr
Applicable Machine: Crane
Document: Electric and Hydraulic Diagrams
Machine Model: Liebherr LTM 1300-1 Z71142 Crane
(LTM1300-1, LTM/1300-1, LTM_1300-1, LTM-1300-1, LTM-1300/1)
List Contents:
Additional Hydraulics Winch III Preparation 982897908_000 DE.pdf (3 Pages)
Battery Box Installation 981949808_000 DE.pdf (2 Pages)
Compressed-Air System 983050508_002 DE.pdf (13 Pages)
Electric Diagram 984064208_000 DE.pdf (127 Pages)
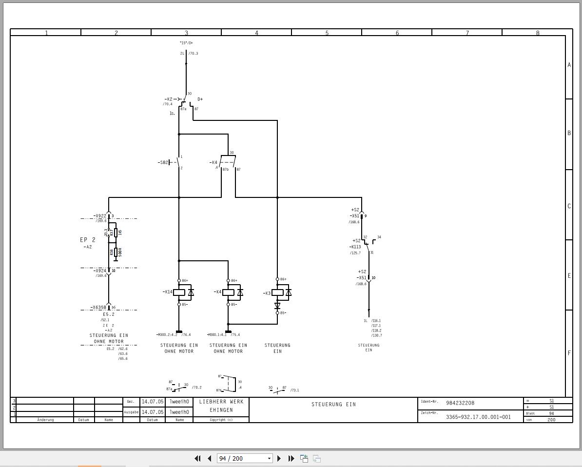
Electric Diagram 984232208_001 DE.pdf (200 Pages)
Emergency Operation Crane Hydraulics Undercarriage 982926708_000 DE.pdf (3 Pages)
Emergency Operation Crane Hydraulics Undercarriage 983164608_002 DE.pdf (11 Pages)
Hydraulic Diagram 984239508_001 DE.pdf (21 Pages)
Hydraulics Outriggers 982792708_004 DE.pdf (9 Pages)
Steering Hydraulics 982789908_003 DE.pdf (8 Pages)
STRANGPLAN W635 982701308_000 DE.pdf (3 Pages)
STRANGPLAN WL633 983406308_001 DE.pdf (5 Pages)
Valves - Steering Pre-Assembled 982686308_001 DE.pdf (3 Pages)
WIRING LIST +S2 984242808_000 DE.pdf (7 Pages)


